Los transceptores de cobre SFP -10GBASE-T de formas pequeñas enchufables (SFP) se basan en el Acuerdo de fuentes múltiples de SFP (MSA).
Los transceptores de cobre SFP -10GBASE-T de formas pequeñas enchufables (SFP) se basan en el Acuerdo de fuentes múltiples de SFP (MSA). Son compatibles con los estándares 10Gbase-T / 5Gbase-T/2,5 Gbase-T / 1000base-T como se especifica en IEEE Std 802,3. SFP -10GBASE-T utiliza el PIN RX_LOS de SFP (debe levantarse en el host) para la indicación del enlace. Si tira hacia arriba o abre el PIN TX_DISABLE de SFP, se restablecerá PHY IC.
Características
● Soporte 10Gbase-T / 5Gbase-T/2,5 Gbase-T / 1000base-T
● Huella SFP conectable en caliente
● Conjunto de conector RJ-45 compacto
● Compatible con RoHS y sin plomo
● Fuente de alimentación única de 3,3 V
● 10 Gigabit Ethernet sobre el cable Cat 6a
● Temperatura de funcionamiento ambiente: 0 °C a 65 °C
Longitud del cable
Estándar | Cable | Alcance | Puerto Host |
10Gbase-T | CAT6A | 30m | SFI |
Gbase-t 5Gbase-T/2,5 | CAT5E | 50m | 5GBase-R/2,5 GBase-X |
1000base-T | CAT5E | 100m | 1000base-FX |
Pin | Símbolo | Nombre/Descripción | Ref. |
1 | VEGET | Tierra del transmisor (común con la tierra del receptor) | 1 |
2 | PUNTUACIÓN | Falla del transmisor. No es compatible. | |
3 | TDIS | Transmisor Desactivar. Salida láser desactivada en alta o abierta. | 2 |
4 | MOD_DEF (2) | Definición del Módulo 2. Línea de datos para la identificación en serie. | 3 |
5 | MOD_DEF (1) | Definición del Módulo 1. Línea de reloj para la identificación en serie. | 3 |
6 | MOD_DEF (0) | Definición del módulo 0. Terreno dentro del módulo. | 3 |
7 | Selección de tasa | No se requiere conexión | |
8 | LOS | Alto indica que no está vinculado. Bajo indica vinculado. | 4 |
9 | VEEL | Tierra del receptor (común con el suelo del transmisor) | 1 |
10 | VEEL | Tierra del receptor (común con el suelo del transmisor) | 1 |
11 | VEEL | Tierra del receptor (común con el suelo del transmisor) | 1 |
12 | RD- | Receptor DE DATOS invertidos fuera. AC Acoplado | |
13 | RD | Receptor de datos no invertidos fuera. AC Acoplado | |
14 | VEEL | Tierra del receptor (común con el suelo del transmisor) | 1 |
15 | VCCR | Fuente de alimentación del receptor | |
16 | VCCT | Transmisor Fuente de alimentación | |
17 | VEGET | Tierra del transmisor (común con la tierra del receptor) | 1 |
18 | TD | Transmisor de datos no invertidos en. AC acoplado. | |
19 | TD- | Transmisor DATOS Invertidos en. AC acoplado. | |
20 | VEGET | Tierra del transmisor (común con la tierra del receptor) | 1 |
SFP para alojar el conector de salida
Notas:
1. La tierra del circuito está conectada a la tierra del chasis
2. PHY deshabilitado en TDIS> 2,0 V o abierto, habilitado en TDIS <0,8 V
3. Debe ser retirado con 4,7 K-10K Ohms en la placa central a un voltaje entre 2,0 V y 3,6 V. MOD_DEF (0) tira de la línea baja para indicar que el módulo está enchufado.
4. LVTTL compatible con una tensión máxima de 2,5 V.
Figura 1. Diagrama de los números y nombres del PIN del bloque del conector de la placa host
+ Interfaz de energía eléctrica 3,3 V Volt
El SFP +-10GBASE-T tiene un rango de voltaje de entrada de 3,3 V/- 5%. El voltaje máximo de 4V no está permitido para el funcionamiento continuo.
+ Interfaz de energía eléctrica de 3,3 voltios | ||||||
Parámetro | Símbolo | Min | Tipo | Máx. | Unidad | Notas/Condiciones |
Corriente de suministro | Es | 700 | 900 | MA | 3,0 W máxima potencia sobre Gama completa de voltaje Y temperatura. Consulte la nota de precaución a continuación | |
Voltaje de entrada | Vcc | 3,13 | 3,3 | 3,47 | V | Referenciado a GND |
Voltaje máximo | Vmax | 4 | V | |||
Corriente de sobretensión | Ioleada | TBD | MA | Enchufe caliente por encima del estado estable Actual. Ver nota de precaución Debajo | ||
Precaución: el consumo de energía y la corriente de aumento son más altos que los valores especificados en el SFP MSA
Señales de baja velocidad
MOD_DEF (1) (SCL) y MOD_DEF (2) (SDA) son señales CMOS de drenaje abierto (consulte la sección VII, "de comunicación serie Protocolo"). Tanto MOD_DEF (1) Como MOD_DEF (2) deben sumirse a host_Vcc
Señales de baja velocidad, características electrónicas | |||||
Parámetro | Símbolo | Min | Máx. | Unidad | Notas/Condiciones |
Salida SFP BAJA | VOL | 0 | 0,5 | V | 4,7 K a 10K pull-up a host_Vcc, Medido en el lado del host del conector |
Salida SFP ALTA | VOH | Host_Vcc-0,5 | Host_Vcc + 0,3 | V | 4,7 K a 10K pull-up a host_Vcc, Medido en el lado del host del conector |
Entrada SFP BAJA | VIL | 0 | 0,8 | V | 4,7 K a 10K pull-up a Vcc, Medido en el lado SFP del conector |
Entrada SFP ALTA | VIH | 2 | Vcc + 0,3 | V | 4,7 K a 10K pull-up a Vcc, Medido en el lado SFP del conector |
Interfaz eléctrica de alta velocidad
Todas las señales de alta velocidad están acopladas internamente en CA.
Interfaz eléctrica de alta velocidad, línea de transmisión-SFP | ||||||||||||
Parámetro | Símbolo | Min | Typ | Máx. | Unidad | Notas/Condiciones | ||||||
Línea Frecuencia | FL | 125 | MHz | Codificación de 5 niveles, por 802,3 IEEE | ||||||||
Tx Salida Impedancia | Zout,TX | 100 | Ohm | Diferencial, para todos Frecuencias entre 1MHz y 125MHz | ||||||||
Rx Entrada Impedancia | Zin,RX | 100 | Ohm | Diferencial, para todos Frecuencias entre 1MHz y 125MHz | ||||||||
Interfaz eléctrica de alta velocidad, Host-SFP | ||||||||||||
Parámetro | Símbolo | Min | Typ | Máx. | Unidad | Notas/Condiciones | ||||||
Entrada de datos de un solo extremo Columpio | Vinsing | 250 | 1200 | MV | Acabado único | |||||||
Salida de datos de un solo extremo Columpio | Voutsing | 350 | 800 | MV | Acabado único | |||||||
Tiempo de ascenso/caída | Tr, Tf | 175 | Psec | 20%-80% | ||||||||
Impedancia de entrada Tx | Zin | 50 | Ohm | Acabado único | ||||||||
Impedancia de salida Rx | Zout | 50 | Ohm | Acabado único | ||||||||
Especificaciones generales
General | ||||||
Parámetro | Símbolo | Min | Typ | Máx. | Unidad | Notas/Condiciones |
Tasa de datos | BR | 1 | 10 | Gb/seg | IEEE 802,3 compatible. Consulte las notas 1,2 a continuación | |
Notas:
1. La tolerancia del reloj es/- 50 ppm
INFORMACIÓN EEPROM (A0)
Addr | Tamaño del campo (Bytes) | Nombre del campo | HEX | Descripción |
0 | 1 | Identificador | 03 | SFP |
1 | 1 | Ext. Identificador | 04 | MOD4 |
2 | 1 | Conector | 07 | LC |
3-10 | 8 | Transceptor | 10 00 00 00 00 00 00 00 00 | Código del transmisor |
11 | 1 | Codificación | 06 | 64B66B |
12 | 1 | BR, nominal | 67 | 1000M BPS |
13 | 1 | Reservado | 00 | |
14 | 1 | Longitud (9um)-km | 00 | |
15 | 1 | Longitud (9um) | 00 | |
16 | 1 | Longitud (50um) | 08 | |
17 | 1 | Longitud (62.5um) | 02 | |
18 | 1 | Longitud (cobre) | 00 | |
19 | 1 | Reservado | 00 | |
20-35 | 16 | Nombre del proveedor | 57 49 4E 54 4F 50 20 20 20 20 20 20 20 20 20 20 | |
36 | 1 | Reservado | 00 | |
37-39 | 3 | Proveedor OUI | 00 00 00 | |
40-55 | 16 | Vendedor PN | Xx Xx | ASC II |
56 a 59 | 4 | Proveedor rev | 31 2E 30 20 | V1.0 |
60-61 | 2 | Longitud de onda | 03 52 | 850nm |
62 | 1 | Reservado | 00 | |
63 | 1 | CC BASE | XX | Compruebe La suma del byte 0 ~ 62 |
64-65 | 2 | Opciones | 00 1A | LOS, TX_DISABLE, TX_FULT |
66 | 1 | BR, Max | 00 | |
67 | 1 | BR, min | 00 | |
68-83 | 16 | Proveedor SN | 00 00 00 00 00 00 00 00 00 00 00 00 00 00 00 00 00 00 | Sin especificar |
84-91 | 8 | Código de fecha de proveedor | XX 20 | Año, Mes, Día |
92-94 | 3 | Reservado | 00 | |
95 | 1 | CC_EXT | XX | Compruebe La suma del byte 64 ~ 94 |
96-255 | 160 | Proveedor específico |
INFORMACIÓN EEPROM (A2) opcional

Especificaciones ambientales
La Detección automática de cruce está habilitada. No se requiere cable cruzado externo
Especificaciones ambientales | ||||||
Parámetro | Símbolo | Min | Typ | Máx. | Unidad | Notas/Condiciones |
Temperatura de funcionamiento | Parte superior | 0 | 65 | °C | Temperatura de la Caja | |
Temperatura de almacenamiento | Testo | -40 | 85 | °C | Temperatura ambiente | |
Protocolo de comunicación serie
Tiempo de autobús serie, requisitos | ||||||
Parámetro | Símbolo | Min | Typ | Máx. | Unidad | Notas/Condiciones |
I Tasa de reloj 2C | 0 | 200.000 | Hz | |||
Todos los SFP admiten el protocolo de comunicación en serie de 2 hilos descrito en el SFP MSA. Estos SFP utilizan una MCU, se puede acceder con la dirección de A0h.
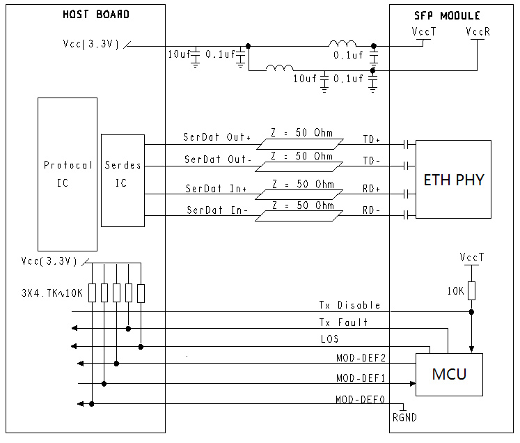
Circuito de aplicación recomendado

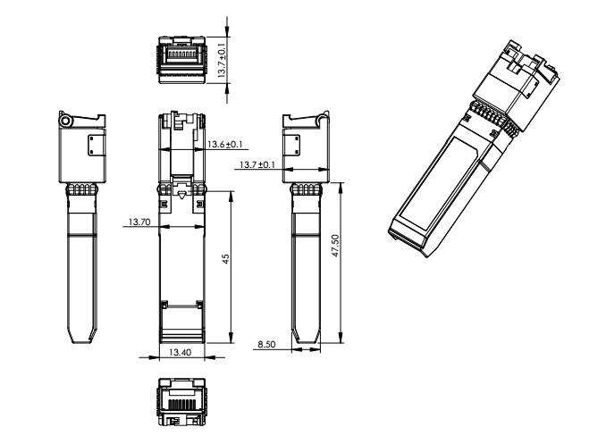
Dibujo del contorno (mm)
| Date | Version | Description | Download | ||
| 2025-03-17 | Datasheet _ 10G SFP Transceiver_LA-OT-10GT-RJ de cobre | ||||
Suscríbete ahora, puede obtener más de 100 valiosos recursos y libros blancos.
Síganos también puede obtener los últimos productos e información de la industria en los correos electrónicos de nuestros miembros.Aprender Detalles >>>
Llámanos:
Envíenos un correo electrónico:
2106B, # 3D, Cloud Park Fase 1, Bantian, Longgang, Shenzhen, 518129, P.R.C.