Este producto es un módulo óptico de doble densidad (QSFP-DD) enchufable de factor de forma pequeño Quad de 400 Gb/s diseñado para aplicaciones de comunicación óptica de 500m.
Este producto es un módulo óptico de doble densidad (QSFP-DD) enchufable de factor de forma pequeño Quad de 400 Gb/s diseñado para aplicaciones de comunicación óptica de 500m. El módulo convierte 8 canales de datos de entrada eléctrica de 50 Gb/s (PAM4) en 4 canales de señales ópticas paralelas, cada uno capaz de 100 Gb/s de funcionamiento para una velocidad de datos agregados de 400 Gb/s. Reversamente, en el lado del receptor, el módulo convierte 4 canales de señales ópticas paralelas de 100 Gb/s cada canal para una velocidad de datos agregada de 400 Gb/s en 8 canales de 50 Gb/s (PAM4) datos de salida eléctrica. Un cable de fibra óptica con un conector MTP/MPO-12 se puede conectar al receptáculo del módulo DR4 QSFP-DD. La alineación adecuada está asegurada por los pasadores de guía dentro del receptáculo. Por lo general, el cable no se puede torcer para una alineación adecuada de canal a Canal. La conexión eléctrica se logra a través de un conector de tipo de borde compatible con MSA QSFP-DD.
El producto se diseña con el factor de forma, la conexión óptica/eléctrica y la interfaz de diagnóstico digital según el QSFP-DD Multi-Source Agreement (MSA) Tipo 2. Ha sido diseñado para cumplir con las condiciones de funcionamiento externas más duras, incluida la temperatura, la humedad y la interferencia EMI.
Deion funcional. El módulo incorpora 4 canales paralelos en la longitud de onda central de 1310nm, operando a 100G por canal. La Ruta del transmisor incorpora un controlador EML de cuatro canales junto con 4 EML paralelos. En la ruta del receptor, una matriz de PD está conectada con un TIA de canal cuádruple para convertir la entrada óptica de 400 paralelo Gb/s en 4 canales de señales eléctricas paralelas de 100 Gb/s (PAM4). Una caja de cambios base DSP se utiliza para convertir 8 canales de señales PAM4 de 25GBaud en 4 canales de señales PAM4 de 50GBaud y también un temporizador de 8 canales y un bloque FEC están integrados en este DSP. La interfaz eléctrica es compatible con IEEE 802.3bs y QSFP-DD MSA en las direcciones de transmisión y recepción, y la interfaz óptica es compatible con QSFP-DD MSA con MPO-12 conector.
Se requiere una sola fuente de alimentación de 3,3 V para encender este producto. Todos los pines de la fuente de alimentación están conectados internamente y deben aplicarse simultáneamente. Según las especificaciones de MSA, el módulo ofrece siete Pines de control de hardware de baja velocidad (incluida la interfaz serie de 2 cables): ModSelL, SCL, SDA, ResetL, InitMode, ModPrsL e IntL. Módulo Select (ModSelL) es un PIN de entrada. Cuando el host lo mantiene bajo, este producto responde a comandos de comunicación en serie de 2 cables. ModSelL permite el uso de este producto en un único bus de interfaz de 2 cables: se deben utilizar líneas ModSelL individuales. El reloj serie (SCL) y los datos seriales (SDA) son necesarios para la interfaz de comunicación de bus serie de 2 cables y permiten que el host acceda al mapa de memoria.
El pin ResetL permite un restablecimiento completo, devolviendo la configuración a su estado predeterminado, cuando un nivel bajo en el PIN ResetL se mantiene durante más tiempo que la longitud mínima del pulso. Durante la ejecución de un reinicio, el host ignorará todos los bits de Estado hasta que indique la finalización de la interrupción de reinicio. El producto indica esto publicando una señal IntL (Interrupción) con el bit Data_Not_Ready negado en el mapa de memoria. Tenga en cuenta que al encender (incluido el ion caliente), el módulo debe publicar esta finalización de la interrupción de reinicio sin requerir un reinicio. El Modo de inicialización (InitMode) es una señal de entrada. Se sube a Vcc en el módulo de QSFP-DD. La señal InitMode permite que el host defina si el módulo QSFP-DD se inicializará bajo el control de software del host (InitMode afirmó High) o el control de hardware del módulo (InitMode desafirmó Low). Bajo el control del software del host, el módulo permanecerá en el modo de baja potencia hasta que el software permita la transición al modo de alta potencia, como se define en la especificación de la interfaz de gestión de QSFP-DD. Bajo el control de hardware (InitMode de-afirmó Low), el módulo puede pasar inmediatamente al modo de alta potencia después de que se inicialice la interfaz de gestión. El host no cambiará el estado de esta señal mientras el módulo esté presente. En aplicaciones QSFP heredadas, esta señal se denomina LPMode. Consulte SFF-8679 PARA EL deion de señal LPMode. El módulo presente (ModPrsL) es una señal local para la placa host que, en ausencia de un producto, normalmente se envía al Vcc host. Cuando el producto se introduce en el conector, completa la ruta a tierra a través de una resistencia en la placa central y afirma la señal. ModPrsL luego indica su presente estableciendo ModPrsL a un estado "Bajo".
La interrupción (IntL) es un PIN de salida. “Bajo” indica una posible falla operativa o un estado crítico para el sistema host. El host identifica la fuente de la interrupción utilizando la interfaz serie de 2 cables. El pin IntL es una salida de colector abierta y debe ser tirado al voltaje Host Vcc en la placa host.
Características
● QSFP-DD compatible con MSA
● 4 carriles ópticos paralelos
● Compatible con la especificación IEEE 802.3bs 400GBASE-DR4
● Transmisión de hasta 500m en fibra monomodo (SMF) con FEC
● Temperatura de la caja de funcionamiento: 0 a 70 ℃
● 8x53.125 Gb/s interfaz eléctrica (400GAUI-8)
● Velocidad DE DATOS 106,25 Gbps (PAM4) por canal
● Consumo máximo de energía 12W
● Conector MPO-12
● Compatible con RoHS
Diagrama de bloque transceptor

Figura 1. Diagrama de bloque transceptor
Pin asignación y descripción
El pinout eléctrico del módulo de QSFP-DD se muestra en la Figura 2 a continuación.
Figura 2. Conector compatible con MSA
Definición de Pin
Pin # | Lógica | Símbolo | Deion | Secuencia de enchufe |
1 | GND | Terreno | 1B | |
2 | CML-I | Tx2n | Entrada DE DATOS invertida del transmisor | 3B |
3 | CML-I | Tx2p | Entrada de datos no invertida del transmisor | 3B |
4 | GND | Terreno | 1B | |
5 | CML-I | Tx4n | Entrada DE DATOS invertida del transmisor | 3B |
6 | CML-I | Tx4p | Entrada de datos no invertida del transmisor | 3B |
7 | GND | Terreno | 1B | |
8 | LVTTL-I | ModSelL | Seleccionar módulo | 3B |
9 | LVTTL-I | ResetL | Restablecimiento del módulo | 3B |
10 | VccRx | Receptor de fuente de alimentación 3,3 V | 2B | |
11 | LVCMOS-I/O | SCL | Reloj de interfaz serie de 2 cables | 3B |
12 | LVCMOS-I/O | SDA | Datos de interfaz serie de 2 cables | 3B |
13 | GND | Terreno | 1B | |
14 | CML-O | Rx3p | Receptor de salida de datos no invertidos | 3B |
15 | CML-O | Rx3n | Receptor de salida de datos invertidos | 3B |
16 | GND | Terreno | 1B | |
17 | CML-O | Rx1p | Receptor de salida de datos no invertidos | 3B |
18 | CML-O | Rx1n | Receptor de salida de datos invertidos | 3B |
19 | GND | Terreno | 1B | |
20 | GND | Terreno | 1B | |
21 | CML-O | Rx2n | Receptor de salida de datos invertidos | 3B |
22 | CML-O | Rx2p | Receptor de salida de datos no invertidos | 3B |
23 | GND | Terreno | 1B | |
24 | CML-O | Rx4n | Receptor de salida de datos invertidos | 3B |
25 | CML-O | Rx4p | Receptor de salida de datos no invertidos | 3B |
26 | GND | Terreno | 1B | |
27 | LVTTL-O | ModPrsL | Módulo presente | 3B |
28 | LVTTL-O | Intl | Interrupción | 3B |
29 | Vcctx | Transmisor de fuente de alimentación 3,3 V | 2B | |
30 | VCC1 | Fuente de alimentación 3,3 V | 2B | |
31 | LVTTL-I | Modo de entrada | Modo de inicialización; En aplicaciones QSFP heredadas, el teclado InitMode se llama LPMODE | 3B |
32 | GND | Terreno | 1B | |
33 | CML-I | Tx3p | Entrada de datos no invertida del transmisor | 3B |
34 | CML-I | Tx3n | Entrada DE DATOS invertida del transmisor | 3B |
35 | GND | Terreno | 1B | |
36 | CML-I | Tx1p | Entrada de datos no invertida del transmisor | 3B |
37 | CML-I | Tx1n | Entrada DE DATOS invertida del transmisor | 3B |
38 | GND | Terreno | 1B | |
39 | GND | Terreno | 1A | |
40 | CML-I | Tx6n | Entrada DE DATOS invertida del transmisor | 3A |
41 | CML-I | Tx6p | Entrada de datos no invertida del transmisor | 3A |
42 | GND | Terreno | 1A | |
43 | CML-I | Tx8n | Entrada DE DATOS invertida del transmisor | 3A |
44 | CML-I | Tx8p | Entrada de datos no invertida del transmisor | 3A |
45 | GND | Terreno | 1A | |
46 | Reservado | Para uso futuro | 3A | |
47 | VS1 | Módulo proveedor específico 1 | 3A | |
48 | VccRx1 | Fuente de alimentación 3,3 V | 2A | |
49 | VS2 | Módulo proveedor específico 2 | 3A | |
50 | VS3 | Módulo proveedor específico 3 | 3A | |
51 | GND | Terreno | 1A | |
52 | CML-O | Rx7p | Receptor de salida de datos no invertidos | 3A |
53 | CML-O | Rx7n | Receptor de salida de datos invertidos | 3A |
54 | GND | Terreno | 1A | |
55 | CML-O | Rx5p | Receptor de salida de datos no invertidos | 3A |
56 | CML-O | Rx5n | Receptor de salida de datos invertidos | 3A |
57 | GND | Terreno | 1A | |
58 | GND | Terreno | 1A | |
59 | CML-O | Rx6n | Receptor de salida de datos invertidos | 3A |
60 | CML-O | Rx6p | Receptor de salida de datos no invertidos | 3A |
61 | GND | Terreno | 1A | |
62 | CML-O | Rx8n | Receptor de salida de datos invertidos | 3A |
63 | CML-O | Rx8p | Receptor de salida de datos no invertidos | 3A |
64 | GND | Terreno | 1A | |
65 | NC | Sin conexión | 3A | |
66 | Reservado | Para uso futuro | 3A | |
67 | VccTx1 | Fuente de alimentación 3,3 V | 2A | |
68 | VCC2 | Fuente de alimentación 3,3 V | 2A | |
69 | Reservado | Para uso futuro | 3A | |
70 | GND | Terreno | 1A | |
71 | CML-I | Tx7p | Entrada de datos no invertida del transmisor | 3A |
72 | CML-I | Tx7n | Entrada DE DATOS invertida del transmisor | 3A |
73 | GND | Terreno | 1A | |
74 | CML-I | Tx5p | Entrada de datos no invertida del transmisor | 3A |
75 | CML-I | Tx5n | Entrada DE DATOS invertida del transmisor | 3A |
76 | GND | Terreno | 1A |
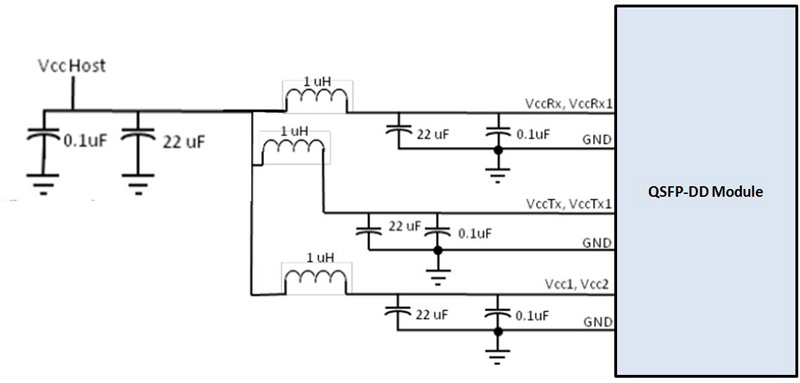
Filtro de fuente de alimentación recomendado

Figura 3. Filtro de fuente de alimentación recomendado
Calificaciones máximas absolutas
Cabe señalar que la operación en exceso de las clasificaciones máximas absolutas individuales podría causar daños permanentes a este módulo.
Parámetro | Símbolo | Min | Máx. | Unidades | Notas |
Temperatura de almacenamiento | TS | -40 | 85 | Degc | |
Funda de funcionamiento Temperatura | TOP | 0 | 70 | Degc | |
Fuente de alimentación Voltaje | VCC | -0,5 | 3,6 | V | |
Humedad relativa (Sin condensación) | RH | 0 | 85 | % | |
Umbral de daño, Cada carril | THd | 5 | DBm |
Condiciones de funcionamiento recomendadas y requisitos de fuente de alimentación
Parámetro | Símbolo | Min | Típico | Máx. | Unidades | Notas |
Funcionamiento Funda Temperatura | TOP | 0 | 70 | Degc | ||
Fuente de alimentación V Oltage | VCC | 3.135 | 3,3 | 3.465 | V | |
Velocidad de datos, Cada carril | 26,5625 | GBD | PAM4 | |||
Tasa de datos Exactitud | -100 | 100 | PPM | |||
Bit pre-FEC Relación de error | 2,4x10-4 | |||||
Bit post-FEC Relación de error | 1x10-12 | 1 | ||||
Distancia del enlace | D | 2 | 500 | M | 2 |
Notas:
FEC proporcionado por el sistema anfitrión.
FEC se requiere en el sistema host para admitir la distancia máxima.
Características eléctricas
Las siguientes acterísticas eléctricas se definen sobre el entorno operativo recomendado a menos que se especifique lo contrario.
Parámetro | Punto de prueba | Min | Típico | Máx. | Unidades | Notas |
Consumo de energía | 12 | W | ||||
Corriente de suministro | Icc | 3,64 | Un | |||
Transmisor (cada carril) | ||||||
Tasa de señalización, Cada carril | TP1 | 26,5625 ± 100 ppm | GBD | |||
Diferencial pk-pk Tolerancia de voltaje de entrada | TP1a | 900 | MVPP | 1 | ||
Diferencial Terminación Desajuste | TP1 | 10 | % | |||
Entrada diferencial Pérdida de retorno | TP1 | 802,3 IEEE- 2015 Ecuación (83E-5) | DB | |||
Diferencial a Modo común Pérdida de retorno de entrada | TP1 | 802,3 IEEE- 2015 Ecuación (83E-6) | DB | |||
Módulo estresado Prueba de entrada | TP1a | Véase IEEE 802.3bs 120E.3.4.1 | 2 | |||
De un solo extremo Tolerancia de tensión Rango (MIN) | TP1a | -0,4 a 3,3 | V | |||
DC Común Modo de entrada Voltaje | TP1 | -350 | 2850 | MV | 3 | |
Receptor (cada carril) | ||||||
Tasa de señalización, Cada carril | TP4 | 26,5625 ± 100 ppm | GBD | |||
Diferencial Pico a pico Voltaje de salida | TP4 | 900 | MVPP | |||
AC Común Modo de salida Voltaje, RMS | TP4 | 17,5 | MV | |||
Diferencial Desajuste de terminación | TP4 | 10 | % | |||
Salida diferencial Pérdida de retorno | TP4 | 802,3 IEEE- 2015 Ecuación (83E-2) | ||||
Común a Modo diferencial Pérdida de retorno de conversión | TP4 | 802,3 IEEE- 2015 Ecuación (83E-3) | ||||
Tiempo de transición, 20% a 80% | TP4 | 9,5 | Ps | |||
Cercano Simetría ocular Anchura de la máscara (ESMW) | TP4 | 0.265 | UI | |||
Ojo cercano Altura, diferencial | TP4 | 70 | MV | |||
Ojo lejano Máscara de simetría Anchura (ESMW) | TP4 | 0,2 | UI | |||
Ojo lejano Altura, diferencial | TP4 | 30 | MV | |||
Fin lejano Pre-cursor Relación ISI | TP4 | -4,5 | 2,5 | % | ||
Modo común Voltaje de salida (Vcm) | TP4 | -350 | 2850 | MV | 3 | |
Notas:
Con la excepción de IEEE 802.3bs 120E.3.1.2 de que el patrón es PRBS31Q o revuelto inactivo.
Cumple con BER especificado en IEEE 802.3bs 120E.1.1.
Voltaje de modo común DC generado por el host. La especificación incluye los efectos de la tensión de compensación de tierra.
Características ópticas
Parámetro | Símbolo | Min | Típico | Máx. | Unidades | Notas |
Longitud de onda del centro | Λc | 1304,5 | 1310 | 1317,5 | Nm | |
Transmisor | ||||||
Velocidad de datos, Cada carril | 53.125 ± 100 ppm | GBD | ||||
Formato de modulación | PAM4 | |||||
Modo lateral Relación de supresión | SMSR | 30 | DB | |||
Lanzamiento promedio Poder, cada carril | PAVG | -2,9 | 4 | DBm | 1 | |
Óptico exterior Amplitud de modulación (OMAouter), Cada carril | Poma | -0,8 | 4,2 | DBm | 2 | |
Poder de lanzamiento en OMAouter Menos TDECQ), Cada carril Para ER ≥ 5dB Para ER < 5dB | -2,2 -1,9 | DB | ||||
Transmisor y Ojo de dispersión Cierre para PAM4, Cada carril | TDECQ | 3,4 | DB | |||
TDECQ - 10 * log10(Ceq), Cada carril | 3,4 | DB | 3 | |||
Relación de extinción | ER | 3,5 | DB | |||
RIN21.4OMA | Rin | -136 | DB/Hz | |||
Retorno óptico Tolerancia DE LA PÉRDIDA | TOL | 21,4 | DB | |||
Transmisor Reflectancia | TR | -26 | DB | |||
Tiempo de transición del transmisor | 17 | PS | ||||
Lanzamiento promedio Poder de APAGADO Transmisor, Cada carril | Poff | -15 | DBm | |||
Receptor | ||||||
Velocidad de datos, cada carril | 53.125 ± 100 ppm | GBD | ||||
Formato de modulación | PAM4 | |||||
Umbral de daño, Cada carril | THd | 5 | DBm | 4 | ||
Recepción media Poder, cada carril | -5,9 | 4 | DBm | 5 | ||
Recibir poder (OMAouter), cada carril | 4,2 | DBm | ||||
Sensibilidad del receptor (OMAouter), cada carril | SEN | Ecuación (1) | DBm | 6 | ||
Receptor estresado Sensibilidad (OMAouter), Cada carril | SRS | -1,9 | DBm | 7 | ||
Reflectancia del receptor | RR | -26 | DB | |||
LOS Assert | LOSA | -15 | DBm | |||
LOS De-ASERT | LOSD | -8,9 | DBm | |||
LOS Histéresis | PERDIDA | 0,5 | DB | |||
Condiciones estresadas Para receptor de estrés Sensibilidad (Nota 8) | ||||||
Ojo estresado Cierre para PAM4 (SECQ), Carril bajo prueba | 3,4 | DB | ||||
SECQ - 10 * log10(Ceq), Carril bajo prueba | 3,4 | DB | ||||
OMAouter de Cada carril agresor | 4,2 | DBm | ||||
Notas:
1. Promedio de potencia de lanzamiento, cada carril (MIN) es informativo y no el indicador principal de la intensidad de la señal. Un transmisor con potencia de lanzamiento por debajo de este valor no puede cumplir; sin embargo, un valor por encima de esto no garantiza el cumplimiento.
2. Incluso si el TDECQ <1,4 dB para una relación de extinción de ≥ 5dB o TDECQ <1,1 dB para una relación de extinción de <5dB, El OMAouter (min) debe exceder el valor mínimo especificado aquí.
3. Ceq es un coeficiente definido en la cláusula 121.8.5.3 de 2018 802,3 de IEEE Std que tiene en cuenta la mejora del ruido del ecualizador de referencia.
4. Potencia media de recepción, cada carril (MIN) es informativo y no el indicador principal de la intensidad de la señal. Una potencia recibida por debajo de este valor no puede ser compatible; sin embargo, un valor por encima de esto no garantiza el cumplimiento.
5. El receptor podrá tolerar, sin daños, la exposición continua a una señal de entrada óptica modulada que tenga este nivel de potencia en un carril. El receptor no tiene que funcionar correctamente a esta potencia de entrada.
6. sensibilidad del receptor (OMAouter), cada carril (MAX) es informativo y se define para un transmisor con un valor de SECQ de hasta 3,4 dB. Debe cumplir con la Ecuación (1), que se ilustra en la Figura 4.
Donde:
RS es la sensibilidad del receptor, y
SECQ es el SECQ del transmisor utilizado para medir la sensibilidad del receptor.
7. Medido con señal de prueba de conformidad en TP3 PARA EL BER igual a 2,4x10-4.
8. Estas condiciones de prueba son para medir la sensibilidad del receptor estresado. No son acterísticas del receptor.

Figura 4. Ilustración de la máscara de sensibilidad del receptor para 400G-DR4
Funciones de Diagnóstico Digital
Las siguientes acterísticas de Diagnóstico Digital se definen sobre las condiciones de funcionamiento normales a menos que se especifique lo contrario.
Parámetro | Símbolo | Min | Máx. | Unidades | Notas |
Monitor de temperatura Error absoluto | DMI_Temp | -3 | 3 | Degc | Rango de temperatura de funcionamiento superior |
Monitor de voltaje de suministro Error absoluto | DMI _ VCC | -0,1 | 0,1 | V | Sobre el funcionamiento completo Rango |
Potencia de canal RX Error absoluto del monitor | DMI_RX_Ch | -2 | 2 | DB | 1 |
Corriente de sesgo de canal Monitor | DMI_Ibias_Ch | -10% | 10% | MA | |
Canal TX Monitor de alimentación Error absoluto | DMI_TX_Ch | -2 | 2 | DB | 1 |
Notas:
Debido a la precisión de la medición de diferentes fibras monomodo, podría haber una fluctuación adicional de +/-1 dB, o una precisión total de +/- 3 dB.
Dibujo del contorno (mm)

ESD
Este transceptor se especifica como umbral ESD 1kV para Pines de datos de alta velocidad y 2kV para todos los demás Pines de entrada eléctrica, probado por MIL-STD-883, Método 3015,4/JESD22-A114-A (HBM). Sin embargo, todavía se requieren precauciones normales de ESD durante el manejo de este módulo. Este transceptor se envía en embalaje de protección ESD. Debe retirarse del embalaje y manipularse solo en un entorno protegido por ESD.
Seguridad láser
Este es un producto láser de clase 1 según EN 60825-1:2014. Este producto cumple con 21 1040,10 CFR y 1040,11, excepto por las desviaciones de conformidad con el Aviso Láser N ° 50, con fecha (24 de junio de 2007).
Precaución: El uso de controles o ajustes o la realización de procedimientos distintos de los especificados en este documento puede resultar en una exposición peligrosa a la radiación.
Aplicaciones
● Ethernet 400G
● Interconexiones InfiniBand
| Date | Version | Description | Download | ||
| 2025-03-17 | Datasheet _ 400G QSFP-DD DR4 1310nm 500m _ LA-OT-400G-DR4 | ||||
Suscríbete ahora, puede obtener más de 100 valiosos recursos y libros blancos.
Síganos también puede obtener los últimos productos e información de la industria en los correos electrónicos de nuestros miembros.Aprender Detalles >>>
Llámanos:
Envíenos un correo electrónico:
2106B, # 3D, Cloud Park Fase 1, Bantian, Longgang, Shenzhen, 518129, P.R.C.