Este producto es un paralelo de 400 Gb/s Quad pequeño factor de forma enchufable-módulo óptico de doble densidad (QSFP-DD). Proporciona una mayor densidad de puertos y ahorros totales de costos del sistema.
Este producto es un paralelo de 400 Gb/s Quad pequeño factor de forma enchufable-módulo óptico de doble densidad (QSFP-DD). Proporciona una mayor densidad de puertos y ahorros totales de costos del sistema. El módulo óptico dúplex completo QSFP-DD ofrece 8 canales de transmisión y recepción independientes, cada uno capaz de 53.125 Gb/s de funcionamiento para una velocidad de datos agregada de 400 Gb/s en 100 metros de fibra multimodo OM3. Un cable de fibra óptica con un conector MTP/MPO-16 se puede conectar al receptáculo del módulo QSFP-DD SR8. La alineación adecuada está asegurada por los pasadores de guía dentro del receptáculo. Por lo general, el cable no se puede torcer para una alineación adecuada de canal a Canal. La conexión eléctrica se logra a través de un conector de tipo de borde compatible con MSA QSFP-DD. Las longitudes de onda centrales de los 8 carriles paralelos son 850nm. Contiene un conector de MPO-16 óptica para la interfaz óptica y un conector de 60 pines para la interfaz eléctrica. Se requiere que Host FEC admita transmisión de fibra multimodo OM3 de hasta 70m. El producto se diseña con el factor de forma, la conexión óptica/eléctrica y la interfaz de diagnóstico digital según el QSFP-DD Multi-Source Agreement (MSA) Tipo 2. Ha sido diseñado para cumplir con las condiciones de funcionamiento externas más duras, incluida la temperatura, la humedad y la interferencia EMI.
Características
● QSFP-DD compatible con MSA
● 8 carriles paralelos en la longitud de onda central de 850nm
● Cumple con la especificación IEEE 802.3bs
● Transmisión de hasta 100m en fibra multimodo (MMF) OM3 con FEC
● Temperatura de la caja de funcionamiento: 0 a 70oC
● 8x53.125 Gb/s interfaz eléctrica (400GAUI-8)
● Velocidad DE DATOS 53.125Gbps (PAM4) por canal.
● Consumo máximo de energía 12W
● Conector MPO-16
● Compatible con RoHS
Diagrama de bloque transceptor
Figura 1. Diagrama de bloque transceptor
Interfaz óptica y asignación de Pin
El pinout eléctrico del módulo de QSFP-DD se muestra como la figura 2. Y la figura 3 muestra la interfaz óptica de MPO-16.
Figura 2. Conector compatible con MSA

Figura 3. Interfaz de conector óptico MPO-16
Definición de Pin
Pin | Lógica | Símbolo | Deion | Secuencia de enchufe |
1 | GND | Terreno | 1B | |
2 | CML-I | Tx2n | Entrada DE DATOS invertida del transmisor | 3B |
3 | CML-I | Tx2p | Entrada de datos no invertida del transmisor | 3B |
4 | GND | Terreno | 1B | |
5 | CML-I | Tx4n | Entrada DE DATOS invertida del transmisor | 3B |
6 | CML-I | Tx4p | Entrada de datos no invertida del transmisor | 3B |
7 | GND | Terreno | 1B | |
8 | LVTTL-I | ModSelL | Seleccionar módulo | 3B |
9 | LVTTL-I | ResetL | Restablecimiento del módulo | 3B |
10 | VccRx | Receptor de fuente de alimentación 3,3 V | 2B | |
11 | -LVCMOS E/S | SCL | Reloj de interfaz serie de 2 cables | 3B |
12 | -LVCMOS E/S | SDA | Datos de interfaz serie de 2 cables | 3B |
13 | GND | Terreno | 1B | |
14 | CML-O | Rx3p | Receptor de salida de datos no invertidos | 3B |
15 | CML-O | Rx3n | Receptor de salida de datos invertidos | 3B |
16 | GND | Terreno | 1B | |
17 | CML-O | Rx1p | Receptor de salida de datos no invertidos | 3B |
18 | CML-O | Rx1n | Receptor de salida de datos invertidos | 3B |
19 | GND | Terreno | 1B | |
20 | GND | Terreno | 1B | |
21 | CML-O | Rx2n | Receptor de salida de datos invertidos | 3B |
22 | CML-O | Rx2p | Receptor de salida de datos no invertidos | 3B |
23 | GND | Terreno | 1B | |
24 | CML-O | Rx4n | Receptor de salida de datos invertidos | 3B |
25 | CML-O | Rx4p | Receptor de salida de datos no invertidos | 3B |
26 | GND | Terreno | 1B | |
27 | LVTTL-O | ModPrsL | Módulo presente | 3B |
28 | LVTTL-O | Intl | Interrupción | 3B |
29 | Vcctx | Transmisor de fuente de alimentación 3,3 V | 2B | |
30 | VCC1 | Fuente de alimentación 3,3 V | 2B | |
31 | LVTTL-I | Modo de entrada | Modo de inicialización; En aplicaciones QSFP heredadas, El InitMode La almohadilla se llama LPMODE | 3B |
32 | GND | Terreno | 1B | |
33 | CML-I | Tx3p | Entrada de datos no invertida del transmisor | 3B |
34 | CML-I | Tx3n | Entrada DE DATOS invertida del transmisor | 3B |
35 | GND | Terreno | 1B | |
36 | CML-I | Tx1p | Entrada de datos no invertida del transmisor | 3B |
37 | CML-I | Tx1n | Entrada DE DATOS invertida del transmisor | 3B |
38 | GND | Terreno | 1B | |
39 | GND | Terreno | 1A | |
40 | CML-I | Tx6n | Entrada DE DATOS invertida del transmisor | 3A |
41 | CML-I | Tx6p | Entrada de datos no invertida del transmisor | 3A |
42 | GND | Terreno | 1A | |
43 | CML-I | Tx8n | Entrada DE DATOS invertida del transmisor | 3A |
44 | CML-I | Tx8p | Entrada de datos no invertida del transmisor | 3A |
45 | GND | Terreno | 1A | |
46 | Reservado | Para uso futuro | 3A | |
47 | VS1 | Módulo proveedor específico 1 | 3A | |
48 | VccRx1 | Fuente de alimentación 3,3 V | 2A | |
49 | VS2 | Módulo proveedor específico 2 | 3A | |
50 | VS3 | Módulo proveedor específico 3 | 3A | |
51 | GND | Terreno | 1A | |
52 | CML-O | Rx7p | Receptor de salida de datos no invertidos | 3A |
53 | CML-O | Rx7n | Receptor de salida de datos invertidos | 3A |
54 | GND | Terreno | 1A | |
55 | CML-O | Rx5p | Receptor de salida de datos no invertidos | 3A |
56 | CML-O | Rx5n | Receptor de salida de datos invertidos | 3A |
57 | GND | Terreno | 1A | |
58 | GND | Terreno | 1A | |
59 | CML-O | Rx6n | Receptor de salida de datos invertidos | 3A |
60 | CML-O | Rx6p | Receptor de salida de datos no invertidos | 3A |
61 | GND | Terreno | 1A | |
62 | CML-O | Rx8n | Receptor de salida de datos invertidos | 3A |
63 | CML-O | Rx8p | Receptor de salida de datos no invertidos | 3A |
64 | GND | Terreno | 1A | |
65 | NC | Sin conexión | 3A | |
66 | Reservado | Para uso futuro | 3A | |
67 | VccTx1 | Fuente de alimentación 3,3 V | 2A | |
68 | VCC2 | Fuente de alimentación 3,3 V | 2A | |
69 | Reservado | Para uso futuro | 3A | |
70 | GND | Terreno | 1A | |
71 | CML-I | Tx7p | Entrada de datos no invertida del transmisor | 3A |
72 | CML-I | Tx7n | Entrada DE DATOS invertida del transmisor | 3A |
73 | GND | Terreno | 1A | |
74 | CML-I | Tx5p | Entrada de datos no invertida del transmisor | 3A |
75 | CML-I | Tx5n | Entrada DE DATOS invertida del transmisor | 3A |
76 | GND | Terreno | 1A |
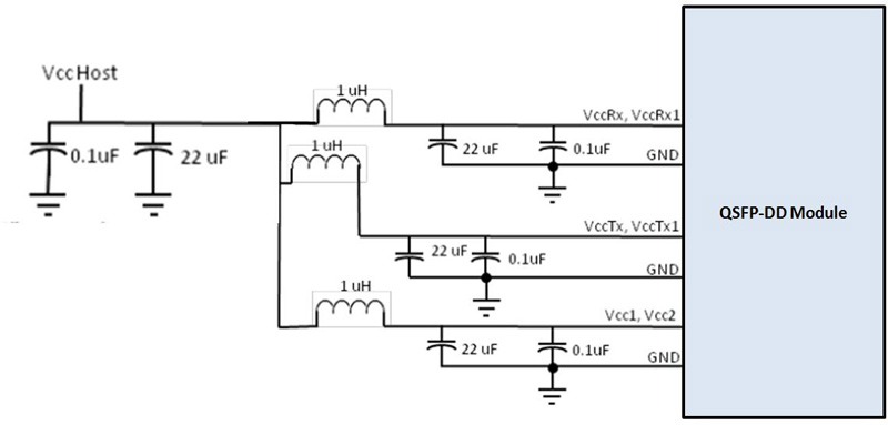
Filtro de fuente de alimentación recomendado

Figura 4. Filtro de fuente de alimentación recomendado
Calificaciones máximas absolutas
Cabe señalar que la operación en exceso de las clasificaciones máximas absolutas individuales podría causar daños permanentes a este módulo.
| Parámetro | Símbolo | Min | Máx. | Unidades | Notas |
| Temperatura de almacenamiento | TS | -40 | 85 | Degc | |
| Temperatura del caso de funcionamiento | TOP | 0 | 70 | Degc | |
| Tensión de alimentación | VCC | -0,5 | 3,6 | V | |
Humedad relativa (Sin condensación) | RH | 0 | 85 | % |
Condiciones de funcionamiento recomendadas y requisitos de fuente de alimentación
| Parámetro | Símbolo | Min | Típico | Máx. | Unidades | Notas |
| Temperatura del caso de funcionamiento | TOP | 0 | 70 | Degc | ||
| Tensión de alimentación | VCC | 3.135 | 3,3 | 3.465 | V | |
| Velocidad de datos, cada carril | 26,5625 | GBD | PAM4 | |||
| Precisión de la tasa de datos | -100 | 100 | PPM | |||
| Relación de error pre-FEC | 2,4x10-4 | |||||
| Relación de error post-FEC Bit | 1x10-12 | 1 | ||||
| Distancia de enlace con OM3 | D | 0,5 | 100 | M | 2 |
Notas:
1. FEC proporcionado por el sistema de acogida.
2. Se requiere FEC en el sistema host para admitir la distancia máxima.
Características eléctricas
Las siguientes acterísticas eléctricas se definen sobre el entorno operativo recomendado a menos que se especifique lo contrario.
| Parámetro | Prueba | Min | Típico | Máx. | Unidades | Notas | |||||||
| Punto | |||||||||||||
| Consumo de energía | 12 | W | |||||||||||
| Corriente de suministro | Icc | 3,63 | Un | ||||||||||
| Transmisor (cada carril) | |||||||||||||
| Tasa de señalización, cada carril | TP1 | 26,5625 ± 100 ppm | GBD | ||||||||||
Diferencial pk-pk Tolerancia de voltaje de entrada | TP1a | 900 | MVPP | 1 | |||||||||
Terminación diferencial Desajuste | TP1 | 10 | % | ||||||||||
| 802,3 IEEE- | |||||||||||||
Entrada diferencial Pérdida de retorno | TP1 | 2015 | DB | ||||||||||
| Ecuación | |||||||||||||
| -8.30E-04 | |||||||||||||
| 802,3 IEEE- | |||||||||||||
Diferencial a común Modo de pérdida de retorno de entrada | TP1 | 2015 | DB | ||||||||||
| Ecuación | |||||||||||||
| -8.30E-05 | |||||||||||||
| Módulo DE PRUEBA DE ENTRADA estresada | TP1a | Véase IEEE 802.3bs 120E.3.4.1 | 2 | ||||||||||
Voltaje de un solo extremo Rango de tolerancia (Min) | TP1a | -0,4 a 3,3 | V | ||||||||||
Modo común DC Voltaje de entrada | TP1 | -350 | 2850 | MV | 3 | ||||||||
| Receptor (cada carril) | |||||||||||||
Señalización Tasa, Cada carril | TP4 | 26,5625 ± 100 ppm | GBD | ||||||||||
Diferencial Pico a pico Voltaje de salida | TP4 | 900 | MVPP | ||||||||||
AC Común Modo de salida Voltaje, RMS | TP4 | 17,5 | MV | ||||||||||
Diferencial Terminación Desajuste | TP4 | 10 | % | ||||||||||
| 802,3 IEEE- | |||||||||||||
Diferencial Salida Devolución Pérdida | TP4 | 2015 | |||||||||||
| Ecuación | |||||||||||||
| -8.30E-01 | |||||||||||||
| 802,3 IEEE- | |||||||||||||
Común a Diferencial Modo Conversión Pérdida de retorno | TP4 | 2015 | |||||||||||
| Ecuación | |||||||||||||
| -8.30E-02 | |||||||||||||
Transición Tiempo, 20% A 80% | TP4 | 9,5 | PS | ||||||||||
Cercano Ojo Simetría Máscara | TP4 | 0.265 | UI | ||||||||||
| Anchura (ESMW) | |||||||||||||
Cercano Altura del ojo, | TP4 | 70 | MV | ||||||||||
| Diferencial | |||||||||||||
Fin lejano Ojo Simetría Máscara | TP4 | 0,2 | UI | ||||||||||
| Anchura (ESMW) | |||||||||||||
Fin lejano Ojo Altura, Diferencial | TP4 | 30 | MV | ||||||||||
Fin lejano Pre-cursor Relación ISI | TP4 | -4,5 | 2,5 | % | |||||||||
Común Modo Salida Voltaje (Vcm) | TP4 | -350 | 2850 | MV | 3 | ||||||||
Notas:
1. Con la excepción de IEEE 802.3bs 120E.3.1.2 que el patrón es PRBS31Q o revuelto inactivo.
2. Cumple con La BER especificada en IEEE 802.3bs 120E.1.1.
3. voltaje de modo común DC generado por el anfitrión. La especificación incluye los efectos de la tensión de compensación de tierra.
Características ópticas
| Parámetro | Símbolo | Min | Típico | Máx. | Unidades | Notas |
| Transmisor | ||||||
| Longitud de onda del centro | ΛC | 840 | 850 | 860 | Nm | |
| Velocidad de datos, cada carril | 26,5625 ± 100 ppm | GBD | ||||
| Formato de modulación | PAM4 | |||||
| Anchura espectral RMS | Δλrms | 0,6 | Nm | Modulado | ||
Lanzamiento promedio Poder, cada carril | PAVG | -6,5 | 4 | DBm | 1 | |
| Modulación óptica exterior | ||||||
Amplitud (OMAouter), Cada carril | Poma | -4,5 | 3 | DBm | 2 | |
Poder de lanzamiento en OMAouter menos TDECQ, cada carril | -5,9 | DB | ||||
Transmisor y Ojo de dispersión Clouser para PAM4, cada carril | ||||||
| TDECQ | 4,5 | DB | ||||
| Relación de extinción | ER | 3 | DB | |||
| Pérdida de retorno óptico | TOL | 12 | DB | |||
| Tolerancia | ||||||
Poder de lanzamiento promedio de Fuera del transmisor, cada carril | Poff | -30 | DBm | |||
| Flujo rodeado | ≥ 86% a 19 μm | |||||
| ≤ 30% a 4,5 μm | ||||||
| Receptor | ||||||
| Longitud de onda del centro | ΛC | 840 | 850 | 860 | Nm | |
| Velocidad de datos, cada carril | 26,5625 ± 100 ppm | GBD | ||||
| Formato de modulación | PAM4 | |||||
| Umbral de daños, cada carril | THd | 5 | DBm | 3 | ||
| Promedio de recibir potencia, cada uno | -7,9 | 4 | DBm | 4 | ||
| Carril | ||||||
Recibir poder (OMAouter), cada carril | 3 | DBm | ||||
| Sensibilidad del receptor | SEN | -6,5 | DBm | 5 | ||
| (OMAouter), cada carril | ||||||
| Sensibilidad del receptor estresado | SRS | -3 | DBm | 6 | ||
| (OMAouter), cada carril | ||||||
| Reflectancia del receptor | RR | -12 | DB | |||
| LOS Assert | LOSA | -30 | DBm | |||
| LOS De-ASERT | LOSD | -12 | DBm | |||
| LOS Histéresis | PERDIDA | 0,5 | DB | |||
Condiciones estresadas para el estrés Sensibilidad del receptor (Nota 7) | ||||||
Cierre de ojos estresado para PAM4 (SECQ), carril bajo prueba | 4 | DB | ||||
| OMAouter de cada carril agresor | 3 | DBm | ||||
Notas:
1. Promedio de potencia de lanzamiento, cada carril (MIN) es informativo y no el indicador principal de la intensidad de la señal.
Un transmisor con potencia de lanzamiento por debajo de este valor no puede ser compatible; sin embargo,
Un valor por encima de esto no garantiza el cumplimiento.
2. Incluso si el TDECQ < 1 dB, El OMAouter (min) debe exceder el valor mínimo especificado aquí.
3. El receptor podrá tolerar, sin daños, la exposición continua a una señal de entrada óptica que tenga este nivel de potencia promedio.
4. Potencia media de recepción, cada carril (MIN) es informativo y no el indicador principal de la intensidad de la señal. Una potencia recibida por debajo de este valor no puede cumplir;
Sin embargo, un valor por encima de esto no asegura el cumplimiento.
5. Sensibilidad OMAouter del receptor, cada carril (máx.) es informativo y se define para un BER de 2,4x10-4.
6. Medido con señal de prueba de conformidad en la entrada del receptor para La BER de 2,4x10-4.
7. Estas condiciones de prueba son para medir la sensibilidad del receptor estresado. No son acterísticas del receptor.
Funciones de Diagnóstico Digital
Las siguientes acterísticas de Diagnóstico Digital se definen sobre las condiciones de funcionamiento normales a menos que se especifique lo contrario.
| Parámetro | Símbolo | Min | Máx. | Unidades | Notas |
Monitores de temperatura Error Absoluto | Rango de temperatura de funcionamiento superior | ||||
| DMI_Temp | -3 | 3 | Degc | ||
| Monitor de voltaje de suministro | DMI _ VCC | -0,1 | 0,1 | V | Sobre el funcionamiento completo |
| Error Absoluto | Rango | ||||
Monitor de alimentación del canal RX Error Absoluto | |||||
| DMI_RX_Ch | -2 | 2 | DB | 1 | |
| Corriente de sesgo de canal | DMI_Ibias_Ch | -10% | 10% | MA | |
| Monitor | |||||
| Canal TX potencia | DMI_TX_Ch | -2 | 2 | DB | 1 |
| Error absoluto del monitor |
Notas:
1. Debido a la precisión de la medición de diferentes fibras, podría haber una fluctuación adicional de +/-1 dB, o una precisión total de +/- 3 dB.
Dibujo del contorno (mm)

Aplicaciones
● Interconexión del centro de datos
● Ethernet 400G
● Interconexiones InfiniBand
● Redes empresariales
| Date | Version | Description | Download | ||
| 2025-03-17 | Datasheet _ 400G QSFP-DD SR8 850nm 100m _ LA-OT-400G-SR8 | ||||
Suscríbete ahora, puede obtener más de 100 valiosos recursos y libros blancos.
Síganos también puede obtener los últimos productos e información de la industria en los correos electrónicos de nuestros miembros.Aprender Detalles >>>
Llámanos:
Envíenos un correo electrónico:
2106B, # 3D, Cloud Park Fase 1, Bantian, Longgang, Shenzhen, 518129, P.R.C.