Este producto es un módulo óptico de doble densidad (QSFP-DD) del pequeño factor de forma Quad de 400 Gb/s diseñado para aplicaciones de comunicación óptica de 10km.
Este producto es un módulo óptico de doble densidad (QSFP-DD) del pequeño factor de forma Quad de 400 Gb/s diseñado para aplicaciones de comunicación óptica de 10km. El módulo convierte 8 canales de datos de entrada eléctrica de 50 Gb/s (PAM4) en 4 canales de señales ópticas CWDM, y los multiplexa en un solo canal para 400 transmisión óptica de Gb/s. Reversamente, en el lado del receptor, el módulo desmultipleja ópticamente una entrada óptica de 400 Gb/s en 4 canales de señales ópticas CWDM, y los convierte en 8 canales de 50 Gb/s (PAM4) datos de salida eléctrica.
Las longitudes de onda centrales de los 4 canales CWDM son 1271, 1291, 1311 y 1331 Nm como miembros de la cuadrícula de longitud de onda CWDM definida en ITU-T G.694.2. Contiene un conector LC dúplex para la interfaz óptica y un conector de 76 pines para la interfaz eléctrica. Para minimizar la dispersión óptica en el sistema de largo recorrido, la fibra monomodo (SMF) debe aplicarse en este módulo. Se requiere que Host FEC admita hasta 10km de transmisión de fibra.
Está diseñado con factor de forma, conexión óptica/eléctrica e interfaz de diagnóstico digital de acuerdo con el Acuerdo QSFP-DD Multi-Source (MSA) Tipo 2. Ha sido diseñado para cumplir con las condiciones de funcionamiento externas más duras, incluida la temperatura, la humedad y la interferencia EMI.
Descripción funcional
El módulo incorpora 4 canales independientes en la longitud de onda central CWDM4 1271/1291/1311/1331nm, operando a 100G por canal. La Ruta del transmisor incorpora un controlador EML de cuatro canales y láseres EML junto con un multiplexor óptico. En la ruta del receptor, un desmultiplexor óptico está acoplado a una matriz de fotodiodos de 4 canales. Una caja de cambios base DSP se utiliza para convertir 8 canales de señales PAM4 de 25GBaud en 4 canales de señales PAM4 de 50GBaud y también un temporizador de 8 canales y un bloque FEC están integrados en este DSP. La interfaz eléctrica es compatible con IEEE 802.3bs y QSFP-DD MSA en las direcciones de transmisión y recepción, y la interfaz óptica es compatible con IEEE 802.3bs con conector LC dúplex.
Se requiere una sola fuente de alimentación de 3,3 V para encender este producto. Todos los pines de la fuente de alimentación están conectados internamente y deben aplicarse simultáneamente. Según las especificaciones de MSA, el módulo ofrece siete Pines de control de hardware de baja velocidad (incluida la interfaz serie de 2 cables): ModSelL, SCL, SDA, ResetL, InitMode, ModPrsL e IntL.
Módulo Select (ModSelL) es un PIN de entrada. Cuando el host lo mantiene bajo, este producto responde a comandos de comunicación en serie de 2 cables. ModSelL permite el uso de este producto en un único bus de interfaz de 2 cables: se deben utilizar líneas ModSelL individuales. El reloj serie (SCL) y los datos seriales (SDA) son necesarios para la interfaz de comunicación de bus serie de 2 cables y permiten que el host acceda al mapa de memoria.
El pin ResetL permite un restablecimiento completo, devolviendo la configuración a su estado predeterminado, cuando un nivel bajo en el PIN ResetL se mantiene durante más tiempo que la longitud mínima del pulso. Durante la ejecución de un reinicio, el host ignorará todos los bits de Estado hasta que indique la finalización de la interrupción de reinicio. El producto indica esto publicando una señal IntL (Interrupción) con el bit Data_Not_Ready negado en el mapa de memoria. Tenga en cuenta que al encender (incluido el ion caliente), el módulo debe publicar esta finalización de la interrupción de reinicio sin requerir un reinicio.
El Modo de inicialización (InitMode) es una señal de entrada. Se sube a Vcc en el módulo de QSFP-DD. La señal InitMode permite que el host defina si el módulo QSFP-DD se inicializará bajo el control de software del host (InitMode afirmó High) o el control de hardware del módulo (InitMode desafirmó Low). Bajo el control del software del host, el módulo permanecerá en el modo de baja potencia hasta que el software permita la transición al modo de alta potencia, como se define en la especificación de la interfaz de gestión de QSFP-DD. Bajo el control de hardware (InitMode de-afirmó Low), el módulo puede pasar inmediatamente al modo de alta potencia después de que se inicialice la interfaz de gestión. El host no cambiará el estado de esta señal mientras el módulo esté presente. En aplicaciones QSFP heredadas, esta señal se denomina LPMode. Consulte SFF-8679 PARA EL deion de señal LPMode.
El módulo presente (ModPrsL) es una señal local para la placa host que, en ausencia de un producto, normalmente se envía al Vcc host. Cuando el producto se introduce en el conector, completa la ruta a tierra a través de una resistencia en la placa central y afirma la señal. ModPrsL luego indica su presente estableciendo ModPrsL a un estado "Bajo".
La interrupción (IntL) es un PIN de salida. “Bajo” indica una posible falla operativa o un estado crítico para el sistema host. El host identifica la fuente de la interrupción utilizando la interfaz serie de 2 cables. El pin IntL es una salida de colector abierta y debe ser tirado al voltaje Host Vcc en la placa host.
Características
● 4 carriles CWDM Diseño MUX/DEMUX
● 100G Lambda MSA 400G-LR4 compatible con la especificación
● Transmisión de hasta 10km en fibra monomodo (SMF) con FEC
● Temperatura de la caja de funcionamiento: 0 a 70 ℃
● 8x53.125 Gb/s interfaz eléctrica (400GAUI-8)
● Velocidad DE DATOS 106,25 Gbps (PAM4) por canal.
● Consumo máximo de energía 12W • Conector LC dúplex
● Compatible con RoHS
Diagrama de bloque transceptor

Figura 1. Diagrama de bloque transceptor
Pin asignación y descripción
El pinout eléctrico del módulo de QSFP-DD se muestra en la Figura 2 a continuación.
Figura 2. Conector compatible con MSA
Definición de Pin
Pin # | Lógica | Símbolo | Deion | Secuencia de enchufe |
1 | GND | Terreno | 1B | |
2 | CML-I | Tx2n | Entrada DE DATOS invertida del transmisor | 3B |
3 | CML-I | Tx2p | Entrada de datos no invertida del transmisor | 3B |
4 | GND | Terreno | 1B | |
5 | CML-I | Tx4n | Entrada DE DATOS invertida del transmisor | 3B |
6 | CML-I | Tx4p | Entrada de datos no invertida del transmisor | 3B |
7 | GND | Terreno | 1B | |
8 | LVTTL-I | ModSelL | Seleccionar módulo | 3B |
9 | LVTTL-I | ResetL | Restablecimiento del módulo | 3B |
10 | VccRx | Receptor de fuente de alimentación 3,3 V | 2B | |
11 | LVCMOS-I/O | SCL | Reloj de interfaz serie de 2 cables | 3B |
12 | LVCMOS-I/O | SDA | Datos de interfaz serie de 2 cables | 3B |
13 | GND | Terreno | 1B | |
14 | CML-O | Rx3p | Receptor de salida de datos no invertidos | 3B |
15 | CML-O | Rx3n | Receptor de salida de datos invertidos | 3B |
16 | GND | Terreno | 1B | |
17 | CML-O | Rx1p | Receptor de salida de datos no invertidos | 3B |
18 | CML-O | Rx1n | Receptor de salida de datos invertidos | 3B |
19 | GND | Terreno | 1B | |
20 | GND | Terreno | 1B | |
21 | CML-O | Rx2n | Receptor de salida de datos invertidos | 3B |
22 | CML-O | Rx2p | Receptor de salida de datos no invertidos | 3B |
23 | GND | Terreno | 1B | |
24 | CML-O | Rx4n | Receptor de salida de datos invertidos | 3B |
25 | CML-O | Rx4p | Receptor de salida de datos no invertidos | 3B |
26 | GND | Terreno | 1B | |
27 | LVTTL-O | ModPrsL | Módulo presente | 3B |
28 | LVTTL-O | Intl | Interrupción | 3B |
29 | Vcctx | Transmisor de fuente de alimentación 3,3 V | 2B | |
30 | VCC1 | Fuente de alimentación 3,3 V | 2B | |
31 | LVTTL-I | Modo de entrada | Modo de inicialización; En aplicaciones QSFP heredadas, El InitMode La almohadilla se llama LPMODE | 3B |
32 | GND | Terreno | 1B | |
33 | CML-I | Tx3p | Entrada de datos no invertida del transmisor | 3B |
34 | CML-I | Tx3n | Entrada DE DATOS invertida del transmisor | 3B |
35 | GND | Terreno | 1B | |
36 | CML-I | Tx1p | Entrada de datos no invertida del transmisor | 3B |
37 | CML-I | Tx1n | Entrada DE DATOS invertida del transmisor | 3B |
38 | GND | Terreno | 1B | |
39 | GND | Terreno | 1A | |
40 | CML-I | Tx6n | Entrada DE DATOS invertida del transmisor | 3A |
41 | CML-I | Tx6p | Entrada de datos no invertida del transmisor | 3A |
42 | GND | Terreno | 1A | |
43 | CML-I | Tx8n | Entrada DE DATOS invertida del transmisor | 3A |
44 | CML-I | Tx8p | Entrada de datos no invertida del transmisor | 3A |
45 | GND | Terreno | 1A | |
46 | Reservado | Para uso futuro | 3A | |
47 | VS1 | Módulo proveedor específico 1 | 3A | |
48 | VccRx1 | Fuente de alimentación 3,3 V | 2A | |
49 | VS2 | Módulo proveedor específico 2 | 3A | |
50 | VS3 | Módulo proveedor específico 3 | 3A | |
51 | GND | Terreno | 1A | |
52 | CML-O | Rx7p | Receptor de salida de datos no invertidos | 3A |
53 | CML-O | Rx7n | Receptor de salida de datos invertidos | 3A |
54 | GND | Terreno | 1A | |
55 | CML-O | Rx5p | Receptor de salida de datos no invertidos | 3A |
56 | CML-O | Rx5n | Receptor de salida de datos invertidos | 3A |
57 | GND | Terreno | 1A | |
58 | GND | Terreno | 1A | |
59 | CML-O | Rx6n | Receptor de salida de datos invertidos | 3A |
60 | CML-O | Rx6p | Receptor de salida de datos no invertidos | 3A |
61 | GND | Terreno | 1A | |
62 | CML-O | Rx8n | Receptor de salida de datos invertidos | 3A |
63 | CML-O | Rx8p | Receptor de salida de datos no invertidos | 3A |
64 | GND | Terreno | 1A | |
65 | NC | Sin conexión | 3A | |
66 | Reservado | Para uso futuro | 3A | |
67 | VccTx1 | Fuente de alimentación 3,3 V | 2A | |
68 | VCC2 | Fuente de alimentación 3,3 V | 2A | |
69 | Reservado | Para uso futuro | 3A | |
70 | GND | Terreno | 1A | |
71 | CML-I | Tx7p | Entrada de datos no invertida del transmisor | 3A |
72 | CML-I | Tx7n | Entrada DE DATOS invertida del transmisor | 3A |
73 | GND | Terreno | 1A | |
74 | CML-I | Tx5p | Entrada de datos no invertida del transmisor | 3A |
75 | CML-I | Tx5n | Entrada DE DATOS invertida del transmisor | 3A |
76 | GND | Terreno | 1A |
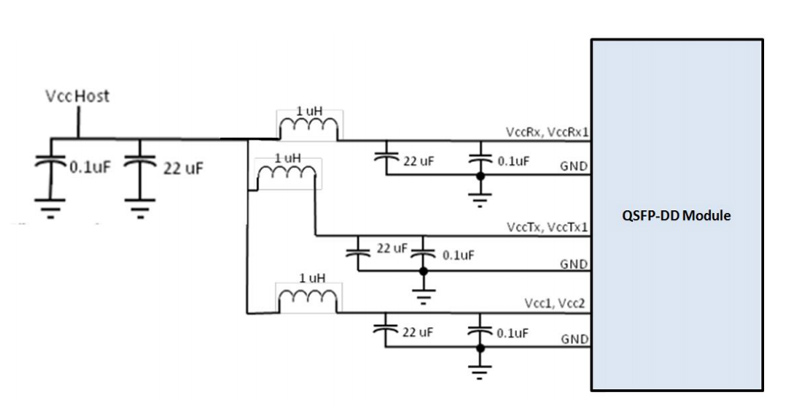
Filtro de fuente de alimentación recomendado

Figura 3. Filtro de fuente de alimentación recomendado
Calificaciones máximas absolutas
Cabe señalar que la operación en exceso de las clasificaciones máximas absolutas individuales podría causar daños permanentes a este módulo.
Parámetro | Símbolo | Min | Máx. | Unidades | Nota |
Temperatura de almacenamiento | TS | -40 | 85 | Degc | |
Temperatura del caso de funcionamiento | TOP | 0 | 70 | Degc | |
Tensión de alimentación | VCC | -0,5 | 3,6 | V | |
Humedad relativa (Sin condensación) | RH | 0 | 85 | % | |
Umbral de daños, cada carril | THd | 5 | DBm |
Condiciones de funcionamiento recomendadas y requisitos de fuente de alimentación
Parámetro | Símbolo | Min | Típico | Máx. | Unidades | Notas |
Temperatura del caso de funcionamiento | TOP | 0 | 70 | Degc | ||
Tensión de alimentación | VCC | 3.135 | 3,3 | 3.465 | V | |
Velocidad de datos, cada carril | 26,5625 | GBD | PAM4 | |||
Precisión de la tasa de datos | -100 | 100 | PPM | |||
Relación de error pre-FEC | 0 | 2,4x10-4 | ||||
Relación de error post-FEC Bit | 0.002 | 1x10-12 | K | 1 | ||
Distancia del enlace | D | 0.002 | 10 | KM | 2 |
Notas:
1. FEC proporcionado por el sistema de acogida.
2. Se requiere FEC en el sistema host para admitir la distancia máxima.
Características eléctricas
Las siguientes acterísticas eléctricas se definen sobre el entorno operativo recomendado a menos que se especifique lo contrario.
Parámetro | Punto de prueba | Min | Típico | Máx. | Unidades | Notas |
Consumo de energía | 12 | W | ||||
Corriente de suministro | Icc | 3,64 | Un | |||
Transmisor (cada carril) | ||||||
Tasa de señalización, Cada carril | TP1 | 26,5625 ± 100 ppm | GBD | |||
Diferencial pk-pk Tolerancia de voltaje de entrada | TP1a | 900 | MVPP | 1 | ||
Diferencial Terminación Desajuste | TP1 | 10 | % | |||
Diferencial Entrada Devolución Pérdida | TP1 | 802,3 IEEE- 2015 Ecuación (83E-5) | DB | |||
Diferencial a Común Modo de entrada Pérdida de retorno | TP1 | 802,3 IEEE- 2015 Ecuación (83E-6) | DB | |||
Módulo estresado Prueba de entrada | TP1a | Véase IEEE 802.3bs 120E.3.4.1 | 2 | |||
De un solo extremo Tolerancia de tensión Rango (MIN) | TP1a | -0,4 a 3,3 | V | |||
DC Común Modo de entrada Voltaje | TP1 | -350 | 2850 | MV | 3 | |
Receptor (Cada carril) | ||||||
Tasa de señalización, Cada carril | TP4 | 26,5625 ± 100 ppm | GBD | |||
Diferencial Pico a pico Salida Voltaje | TP4 | 900 | MVPP | |||
AC Común Modo de salida Voltaje, RMS | TP4 | 17,5 | MV | |||
Diferencial Terminación Desajuste | TP4 | 10 | % | |||
Diferencial Salida Devolución Pérdida | TP4 | 802,3 IEEE- 2015 Ecuación (83E-2) | ||||
Común A Diferencial Modo Conversión Devolución Pérdida | TP4 | 802,3 IEEE- 2015 Ecuación (83E-3) | ||||
Transición Tiempo, 20% A 80% | TP4 | 9,5 | Ps | |||
Cercano Ojo Simetría Máscara Anchura (ESMW) | TP4 | 0.265 | UI | |||
Cercano Ojo Altura, Diferencial | TP4 | 70 | MV | |||
Fin lejano Ojo Simetría Máscara Anchura (ESMW) | TP4 | 0,2 | UI | |||
Fin lejano Ojo Altura, Diferencial | TP4 | 30 | MV | |||
Fin lejano Pre-cursor Relación ISI | TP4 | -4,5 | 2,5 | % | ||
Común Modo Salida Voltaje (Vcm) | TP4 | -350 | 2850 | MV | 3 | |
Notas:
1. Con la excepción de IEEE 802.3bs 120E.3.1.2 que el patrón es PRBS31Q o revuelto inactivo.
2. Cumple con La BER especificada en IEEE 802.3bs 120E.1.1.
3. voltaje de modo común DC generado por el anfitrión. La especificación incluye los efectos de la tensión de compensación de tierra.
Características ópticas
Parámetro | Símbolo | Min | Típico | Máx. | Unidad | Notas |
Longitud de onda Asignación | L0 | 1264,5 | 1271 | 1277,5 | Nm | |
L1 | 1284,5 | 1291 | 1297,5 | Nm | ||
L2 | 1304,5 | 1311 | 1317,5 | Nm | ||
L3 | 1324,5 | 1331 | 1337,5 | Nm | ||
Transmisor | ||||||
Velocidad de datos, Cada carril | 53.125 ± 100 ppm | Gbd | ||||
Modulación Formato | PAM4 | |||||
Modo lateral Relación de supresión | SMSR | 30 | DB | |||
Promedio total Potencia de lanzamiento | PT | 10,0 | DBm | |||
Lanzamiento promedio Poder, Cada carril | PAVG | -2,8 | 4,0 | DBm | 1 | |
Óptico exterior Amplitud de modulación (OMAouter), Cada carril | Poma | 0,2 | 4,2 | DBm | 2 | |
Poder de lanzamiento en OMAouter menos TDECQ), cada carril Para ER ≥ 4.5dB Para ER < 4.5dB | -1,2 -1,1 | DB | ||||
Transmisor y Ojo de dispersión Cierre para PAM4, Cada carril | TDECQ | 3,9 | DB | |||
TDECQ - 10 * log10(Ceq), Cada carril | 3,9 | DB | 3 | |||
Relación de extinción | ER | 3,5 | DB | |||
Diferencia en Potencia de lanzamiento Entre cualquier Dos carriles (OMAouter) | 4 | DB | ||||
RIN15.6OMA | Rin | -136 | DB/Hz | |||
Retorno óptico Tolerancia DE LA PÉRDIDA | TOL | 15,6 | DB | |||
Transmisor Reflectancia | RT | -26 | DB | |||
Transmisor Transición Tiempo | 17 | Ps | ||||
Lanzamiento promedio Poder de APAGADO Transmisor, Cada carril | Poff | -20 | DBm | |||
Receptor | ||||||
Velocidad de datos, cada carril | 53.125 ± 100 ppm | Gbd | ||||
Formato de modulación | PAM4 | |||||
Umbral de daño, Cada carril | THd | 5,0 | DBm | 4 | ||
Recepción media Poder, cada carril | -9,1 | 4,0 | DBm | 5 | ||
Recibir poder (OMAouter), Cada carril | 4,2 | DBm | ||||
Diferencia en Potencia del receptor Entre cualquier Dos carriles (OMAouter) | 4,6 | DB | ||||
Sensibilidad del receptor (OMAouter), Cada carril | SEN | Ecuación (1) | DBm | 6 | ||
Receptor estresado Sensibilidad (OMAouter), Cada carril | SRS | -4,1 | DBm | 7 | ||
Reflectancia del receptor | RR | -26 | DB | |||
LOS Assert | LOSA | -20 | DBm | |||
LOS De-ASERT | LOSD | -12,1 | DBm | |||
LOS Histéresis | PERDIDA | 0,5 | DB | |||
Condiciones estresadas Para el estrés Sensibilidad del receptor (Nota 8) | ||||||
Ojo estresado Cierre para PAM4 (SECQ), Carril bajo prueba | 3,9 | DB | ||||
SECQ - 10 * log10(Ceq), Carril bajo prueba | 3,9 | DB | ||||
OMAouter de Cada carril agresor | 0,5 | DBm | ||||
Notas:
1. Promedio de potencia de lanzamiento, cada carril (MIN) es informativo y no el indicador principal de la intensidad de la señal. Un transmisor con potencia de lanzamiento por debajo de este valor no puede cumplir; sin embargo, un valor por encima de esto no garantiza el cumplimiento.
2. Incluso si el TDECQ <1,4 dB para una relación de extinción de ≥ 4,5 dB o TDECQ <1,3 dB para una relación de extinción de <4,5 dB, El OMAouter (min) debe exceder el valor mínimo especificado aquí.
3. Ceq es un coeficiente definido en la cláusula 121.8.5.3 de 2018 802,3 de IEEE Std que tiene en cuenta la mejora del ruido del ecualizador de referencia.
4. Potencia media de recepción, cada carril (MIN) es informativo y no el indicador principal de la intensidad de la señal. Una potencia recibida por debajo de este valor no puede ser compatible; sin embargo, un valor por encima de esto no garantiza el cumplimiento.
5. El receptor podrá tolerar, sin daños, la exposición continua a una señal de entrada óptica modulada que tenga este nivel de potencia en un carril. El receptor no tiene que funcionar correctamente a esta potencia de entrada.
6. sensibilidad del receptor (OMAouter), cada carril (MAX) es informativo y se define para un transmisor con un valor de SECQ de hasta 3,4 dB. Debe cumplir con la Ecuación (1), que se ilustra en la Figura 4.
RS = Max (− 6,6, SECQ− 8,0) dBm
Donde:
RS es la sensibilidad del receptor, y
SECQ es el SECQ del transmisor utilizado para medir la sensibilidad del receptor.
7. Medido con señal de prueba de conformidad en TP3 PARA EL BER igual a 2,0x10-4.
8. Estas condiciones de prueba son para medir la sensibilidad del receptor estresado. No son acterísticas del receptor.
Figura 4. Ilustración de la máscara de sensibilidad del receptor para 400G-LR4
Funciones de Diagnóstico Digital
Las siguientes acterísticas de Diagnóstico Digital se definen sobre las condiciones de funcionamiento normales a menos que se especifique lo contrario.
Parámetro | Símbolo | Min | Máx. | Unidades | Notas |
Monitor de temperatura Error Absoluto | DMI_Temp | -3 | + 3 | Degc | Rango de temperatura de funcionamiento superior |
Tensión de suministro Error absoluto del monitor | DMI _ VCC | -0,1 | 0,1 | V | Más de una gama de funcionamiento completa |
Canal RX potencia Error absoluto del monitor | DMI_RX_Ch | -2 | 2 | DB | 1 |
Sesgo de canal Monitor de corriente | DMI_Ibias_Ch | -10% | 10% | MA | |
Canal TX potencia Error absoluto del monitor | DMI_TX_Ch | -2 | 2 | DB | 1 |
Notas:
1. Debido a la precisión de la medición de modo único de diferentes fibras, podría haber una fluctuación adicional de +/-1 dB, o una precisión total de +/- 3 dB.
Dibujo del contorno (mm)
Figura 5. Esquema mecánico
ESD
Este transceptor se especifica como umbral ESD 1kV para Pines de datos de alta velocidad y 2kV para todos los demás Pines de entrada eléctrica, probado por MIL-STD-883, Método 3015,4/JESD22-A114-A (HBM). Sin embargo, todavía se requieren precauciones normales de ESD durante el manejo de este módulo. Este transceptor se envía en embalaje de protección ESD. Debe retirarse del embalaje y manipularse solo en un entorno protegido por ESD.
Seguridad láser
Este es un producto láser de clase 1 según EN 60825-1:2014. El producto cumple con 21 1040,10 CFR y 1040,11, excepto por las desviaciones de conformidad con el Aviso Láser N ° 50, con fecha (24 de junio de 2007).
Precaución: El uso de controles o ajustes o la realización de procedimientos distintos de los especificados en este documento puede resultar en una exposición peligrosa a la radiación.
Aplicación
● Ethernet 400G
● Interconexión del centro de datos
● Interconexiones Infinib
● Red de Datacenter Enterprise
| Date | Version | Description | Download | ||
| 2025-03-17 | Datasheet _ 400G QSFP-DD LR4 1310nm 10km_LA-OT-400G-LR4_V2.X | ||||
Suscríbete ahora, puede obtener más de 100 valiosos recursos y libros blancos.
Síganos también puede obtener los últimos productos e información de la industria en los correos electrónicos de nuestros miembros.Aprender Detalles >>>
Llámanos:
Envíenos un correo electrónico:
2106B, # 3D, Cloud Park Fase 1, Bantian, Longgang, Shenzhen, 518129, P.R.C.