Este producto es un módulo óptico de doble densidad (QSFP-DD) del pequeño factor de forma Quad de 400 Gb/s diseñado para aplicaciones de comunicación óptica de 2km.
Este producto es un módulo óptico de doble densidad (QSFP-DD) del pequeño factor de forma Quad de 400 Gb/s diseñado para aplicaciones de comunicación óptica de 2km. El módulo convierte 8 canales de datos de entrada eléctrica de 50 Gb/s (PAM4) en 4 canales de señales ópticas CWDM, y los multiplexa en un solo canal para 400 transmisión óptica de Gb/s. Reversamente, en el lado del receptor, el módulo desmultipleja ópticamente una entrada óptica de 400 Gb/s en 4 canales de señales ópticas CWDM, y los convierte en 8 canales de 50 Gb/s (PAM4) datos de salida eléctrica. Las longitudes de onda centrales de los 4 canales CWDM son 1271, 1291, 1311 y 1331 Nm como miembros de la cuadrícula de longitud de onda CWDM definida en ITU-T G.694.2. Contiene un conector LC dúplex para la interfaz óptica y un conector de 76 pines para la interfaz eléctrica. Para minimizar la dispersión óptica en el sistema de largo recorrido, la fibra monomodo (SMF) debe aplicarse en este módulo. Se requiere el Host FEC para admitir hasta 2km de transmisión de fibra. El producto está diseñado con factor de forma, conexión óptica/eléctrica e interfaz de Diagnóstico Digital de acuerdo con el QSFP-DD Acuerdo Multi-Source (MSA) tipo 2. Ha sido diseñado para cumplir con las condiciones de funcionamiento externas más duras, incluida la temperatura, la humedad y la interferencia EMI.
Características
● QSFP-DD compatible con MSA
● 4 carriles CWDM Diseño MUX/DEMUX
● 100G Lambda MSA 400G-FR4 Especificación compatible
● Transmisión de hasta 2km en fibra monomodo (SMF) con FEC
● Temperatura de la caja de funcionamiento: 0 a 70oC
● 8x53.125 Gb/s interfaz eléctrica (400GAUI-8)
● Velocidad DE DATOS 106,25 Gbps (PAM4) por canal.
● Consumo máximo de energía 12W
● Conector LC dúplex
● Compatible con RoHS
Diagrama de bloque transceptor

Figura 1. Diagrama de bloque transceptor
Asignación de Pin y Deion
El pinout eléctrico del módulo de QSFP-DD se muestra en la Figura 2 a continuación.

Figura 2. Conector compatible con MSA
Definición de Pin
Pin | Lógica | Símbolo | Deion | Secuencia de enchufe | Notas |
1 | GND | Terreno | 1B | 1 | |
2 | CML-I | Tx2n | Entrada DE DATOS invertida del transmisor | 3B | |
3 | CML-I | Tx2p | Transmisor de datos no invertidos Entrada | 3B | |
4 | GND | Terreno | 1B | 1 | |
5 | CML-I | Tx4n | Entrada DE DATOS invertida del transmisor | 3B | |
6 | CML-I | Tx4p | Entrada de datos no invertida del transmisor | 3B | |
7 | GND | Terreno | 1B | 1 | |
8 | LVTTL-I | ModSelL | Seleccionar módulo | 3B | |
9 | LVTTL-I | ResetL | Restablecimiento del módulo | 3B | |
10 | VccRx | Receptor de fuente de alimentación 3,3 V | 2B | 2 | |
11 | -LVCMOS E/S | SCL | Reloj de interfaz serie de 2 cables | 3B | |
12 | -LVCMOS E/S | SDA | Datos de interfaz serie de 2 cables | 3B | |
13 | GND | Terreno | 1B | 1 | |
14 | CML-O | Rx3p | Receptor de salida de datos no invertidos | 3B | |
15 | CML-O | Rx3n | Receptor de salida de datos invertidos | 3B | |
16 | GND | Terreno | 1B | 1 | |
17 | CML-O | Rx1p | Receptor de salida de datos no invertidos | 3B | |
18 | CML-O | Rx1n | Receptor de salida de datos invertidos | 3B | |
19 | GND | Terreno | 1B | 1 | |
20 | GND | Terreno | 1B | 1 | |
21 | CML-O | Rx2n | Receptor de salida de datos invertidos | 3B | |
22 | CML-O | Rx2p | Receptor de salida de datos no invertidos | 3B | |
23 | GND | Terreno | 1B | 1 | |
24 | CML-O | Rx4n | Receptor de salida de datos invertidos | 3B | |
25 | CML-O | Rx4p | Receptor de salida de datos no invertidos | 3B | |
26 | GND | Terreno | 1B | 1 | |
27 | LVTTL-O | ModPrsL | Módulo presente | 3B | |
28 | LVTTL-O | Intl | Interrupción | 3B | |
29 | Vcctx | Transmisor de fuente de alimentación 3,3 V | 2B | 2 | |
30 | VCC1 | Fuente de alimentación 3,3 V | 2B | 2 | |
31 | LVTTL-I | Modo de entrada | Modo de inicialización; En legado QSFP Aplicaciones, el pad InitMode se llama LPMODE | 3B | |
32 | GND | Terreno | 1B | 1 | |
33 | CML-I | Tx3p | Transmisor de datos no invertidos Entrada | 3B | |
34 | CML-I | Tx3n | Entrada DE DATOS invertida del transmisor | 3B | |
35 | GND | Terreno | 1B | 1 | |
36 | CML-I | Tx1p | Transmisor de datos no invertidos Entrada | 3B | |
37 | CML-I | Tx1n | Entrada DE DATOS invertida del transmisor | 3B | |
38 | GND | Terreno | 1B | 1 | |
39 | GND | Terreno | 1A | 1 | |
40 | CML-I | Tx6n | Entrada DE DATOS invertida del transmisor | 3A | |
41 | CML-I | Tx6p | Transmisor de datos no invertidos Entrada | 3A | |
42 | GND | Terreno | 1A | 1 | |
43 | CML-I | Tx8n | Entrada DE DATOS invertida del transmisor | 3A | |
44 | CML-I | Tx8p | Transmisor de datos no invertidos Entrada | 3A | |
45 | GND | Terreno | 1A | 1 | |
46 | Reservado | Para uso futuro | 3A | 3 | |
47 | VS1 | Módulo proveedor específico 1 | 3A | 3 | |
48 | VccRx1 | Fuente de alimentación 3,3 V | 2A | 2 | |
49 | VS2 | Módulo proveedor específico 2 | 3A | 3 | |
50 | VS3 | Módulo proveedor específico 3 | 3A | 3 | |
51 | GND | Terreno | 1A | 1 | |
52 | CML-O | Rx7p | Receptor de salida de datos no invertidos | 3A | |
53 | CML-O | Rx7n | Receptor de salida de datos invertidos | 3A | |
54 | GND | Terreno | 1A | 1 | |
55 | CML-O | Rx5p | Receptor de salida de datos no invertidos | 3A | |
56 | CML-O | Rx5n | Receptor de salida de datos invertidos | 3A | |
57 | GND | Terreno | 1A | 1 | |
58 | GND | Terreno | 1A | 1 | |
59 | CML-O | Rx6n | Receptor de salida de datos invertidos | 3A | |
60 | CML-O | Rx6p | Receptor de salida de datos no invertidos | 3A | |
61 | GND | Terreno | 1A | 1 | |
62 | CML-O | Rx8n | Receptor de salida de datos invertidos | 3A | |
63 | CML-O | Rx8p | Receptor de salida de datos no invertidos | 3A | |
64 | GND | Terreno | 1A | 1 | |
65 | NC | Sin conexión | 3A | 3 | |
66 | Reservado | Para uso futuro | 3A | 3 | |
67 | VccTx1 | Fuente de alimentación 3,3 V | 2A | 2 | |
68 | VCC2 | Fuente de alimentación 3,3 V | 2A | 2 | |
69 | Reservado | Para uso futuro | 3A | 3 | |
70 | GND | Terreno | 1A | 1 | |
71 | CML-I | Tx7p | Entrada de datos no invertida del transmisor | 3A | |
72 | CML-I | Tx7n | Entrada DE DATOS invertida del transmisor | 3A | |
73 | GND | Terreno | 1A | 1 | |
74 | CML-I | Tx5p | Entrada de datos no invertida del transmisor | 3A | |
75 | CML-I | Tx5n | Entrada DE DATOS invertida del transmisor | 3A | |
76 | GND | Terreno | 1A | 1 |
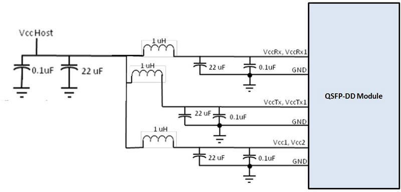
Filtro de fuente de alimentación recomendado
Figura 3. Filtro de fuente de alimentación recomendado
Calificaciones máximas absolutas
Cabe señalar que la operación en exceso de las clasificaciones máximas absolutas individuales podría causar daños permanentes a este módulo.
Condiciones de funcionamiento recomendadas y requisitos de fuente de alimentación
Parámetro | Símbolo | Min | Típico | Máx. | Unidades | Notas |
Funda de funcionamiento Temperatura | TOP | 0 | 70 | Degc | ||
Fuente de alimentación Voltaje | VCC | 3.135 | 3,3 | 3.465 | V | |
Velocidad de datos, cada carril | 26,5625 | GBD | PAM4 | |||
Precisión de la tasa de datos | -100 | 100 | PPM | |||
Relación de error pre-FEC | 2,4x10-4 | |||||
Relación de error post-FEC Bit | 1x10-12 | 1 | ||||
Distancia del enlace | D | 0.002 | 2 | Km | 2 |
Notas:
1. FEC proporcionado por el sistema de acogida.
2. Se requiere FEC en el sistema host para admitir la distancia máxima.
Características eléctricas
Las siguientes acterísticas eléctricas se definen sobre el entorno operativo recomendado a menos que se especifique lo contrario.
Parámetro | Prueba Punto | Min | Típico | Máx. | Unidades | Notas | |||||||
Consumo de energía | 12 | W | |||||||||||
Corriente de suministro | Icc | 3,63 | Un | ||||||||||
Transmisor (cada carril) | |||||||||||||
Tasa de señalización, cada carril | TP1 | 26,5625 ± 100 ppm | GBD | ||||||||||
Diferencial Pk-pk Entrada Voltaje Tolerancia | TP1a | 900 | MVPP | 1 | |||||||||
Diferencial Terminación Desajuste | TP1 | 10 | % | ||||||||||
Diferencial Entrada Devolución Pérdida | TP1 | 802,3 IEEE- 2015 Ecuación (83E-5) | DB | ||||||||||
Diferencial a Común Modo de entrada Pérdida de retorno | TP1 | 802,3 IEEE- 2015 Ecuación (83E-6) | DB | ||||||||||
Módulo Estresado Prueba de entrada | TP1a | Véase IEEE 802.3bs 120E.3.4.1 | 2 | ||||||||||
De un solo extremo Voltaje Tolerancia Rango (MIN) | TP1a | -0,4 a 3,3 | V | ||||||||||
DC Común Modo de entrada Voltaje | TP1 | -350 | 2850 | MV | 3 | ||||||||
Receptor (Cada carril) | |||||||||||||
Tasa de señalización, Cada carril | TP4 | 26,5625 ± 100 ppm | GBD | ||||||||||
Diferencial Pico a pico Salida Voltaje | TP4 | 900 | MVPP | ||||||||||
AC Común Modo de salida Voltaje, RMS | TP4 | 17,5 | MV | ||||||||||
Diferencial Terminación Desajuste | TP4 | 10 | % | ||||||||||
Diferencial Salida Pérdida de retorno | TP4 | 802,3 IEEE- 2015 Ecuación (83E-2) | |||||||||||
Común a Diferencial Conversión de modo Pérdida de retorno | TP4 | 802,3 IEEE- 2015 Ecuación (83E-3) | |||||||||||
Tiempo de transición, 20% a 80% | TP4 | 9,5 | PS | ||||||||||
Cercano Simetría ocular Máscara Anchura (ESMW) | TP4 | 0.265 | UI | ||||||||||
Cercano Altura del ojo, Diferencial | TP4 | 70 | MV | ||||||||||
Fin lejano Simetría ocular Máscara Anchura (ESMW) | TP4 | 0,2 | UI | ||||||||||
Fin lejano Altura del ojo, Diferencial | TP4 | 30 | MV | ||||||||||
Fin lejano Pre-cursor Relación ISI | TP4 | -4,5 | 2,5 | % | |||||||||
Común Modo de salida Voltaje (Vcm) | TP4 | -350 | 2850 | MV | 3 | ||||||||
Notas:
1. Con la excepción de IEEE 802.3bs 120E.3.1.2 que el patrón es PRBS31Q o revuelto inactivo.
2. Cumple con La BER especificada en IEEE 802.3bs 120E.1.1.
3. voltaje de modo común DC generado por el anfitrión. La especificación incluye los efectos de la tensión de compensación de tierra.
Características ópticas
Parámetro | Símbolo | Min | Típico | Máx. | Unidades | Notas | |||||||
Asignación de longitud de onda | L0 | 1264,5 | 1271 | 1277,5 | Nm | ||||||||
L1 | 1284,5 | 1291 | 1297,5 | Nm | |||||||||
L2 | 1304,5 | 1311 | 1317,5 | Nm | |||||||||
L3 | 1324,5 | 1331 | 1337,5 | Nm | |||||||||
Transmisor | |||||||||||||
Velocidad de datos, cada carril | 53.125 ± 100 ppm | GBD | |||||||||||
Formato de modulación | PAM4 | ||||||||||||
Modo lateral Relación de supresión | SMSR | 30 | DB | ||||||||||
Promedio total Potencia de lanzamiento | PT | 9,3 | DBm | ||||||||||
Lanzamiento promedio Poder, cada carril | PAVG | -3,3 | 3,5 | DBm | 1 | ||||||||
Óptico exterior Modulación Amplitud (OMAouter), Cada carril | Poma | -0,3 | 3,7 | DBm | 2 | ||||||||
Poder de lanzamiento en OMAouter menos TDECQ, cada carril Para ER ≥ 4.5dB Para ER < 4.5dB | -1,7 -1,6 | DB | |||||||||||
Transmisor y Ojo de dispersión Cierre para PAM4, Cada carril | TDECQ | 3,4 | DB | ||||||||||
TDECQ - 10 * log10(Ceq), Cada carril | 3,4 | DB | 3 | ||||||||||
Relación de extinción | ER | 3,5 | DB | ||||||||||
Diferencia en Potencia de lanzamiento Entre cualquier Dos carriles (OMAouter) | 4 | DB | |||||||||||
RIN17.1OMA | Rin | -136 | DB/Hz | ||||||||||
Retorno óptico Tolerancia DE LA PÉRDIDA | TOL | 17,1 | DB | ||||||||||
Transmisor Reflectancia | RT | -26 | DB | ||||||||||
Transmisor Transición Tiempo | 17 | PS | |||||||||||
Lanzamiento promedio Poder de APAGADO Transmisor, Cada carril | Poff | -20 | DBm | ||||||||||
Receptor | |||||||||||||
Velocidad de datos, Cada carril | 53.125 ± 100 ppm | GBD | |||||||||||
Formato de modulación | PAM4 | ||||||||||||
Umbral de daño, Cada carril | THd | 4,5 | DBm | 4 | |||||||||
Potencia media de recepción, Cada carril | -7,3 | 3,5 | DBm | 5 | |||||||||
Recibir poder (OMAouter), Cada carril | 3,7 | DBm | |||||||||||
Diferencia en Potencia del receptor Entre cualquier Dos carriles (OMAouter) | 4,1 | DB | |||||||||||
Receptor Sensibilidad (OMAouter), Cada carril | SEN | Ecuación (1) | DBm | 6 | |||||||||
Receptor estresado Sensibilidad (OMAouter), Cada carril | SRS | -2,6 | DBm | 7 | |||||||||
Reflectancia del receptor | RR | -26 | DB | ||||||||||
LOS Assert | LOSA | -20 | DBm | ||||||||||
LOS De-ASERT | LOSD | -10,3 | DBm | ||||||||||
LOS Histéresis | PERDIDA | 0,5 | DB | ||||||||||
Condiciones estresadas Para receptor de estrés Sensibilidad (Nota 8) | |||||||||||||
Ojo estresado Cierre para PAM4 (SECQ), Carril bajo prueba | 3,4 | DB | |||||||||||
SECQ - 10 * log10(Ceq), Carril bajo prueba | 3,4 | DB | |||||||||||
OMAouter de Cada carril agresor | 1,5 | DBm | |||||||||||
Formato de modulación | PAM4 | ||||||||||||
Notas: 1. Promedio de potencia de lanzamiento, cada carril (MIN) es informativo y no el indicador principal de la intensidad de la señal. Un transmisor con potencia de lanzamiento por debajo de este valor no puede cumplir; sin embargo, un valor por encima de esto no garantiza el cumplimiento. 2. Incluso si el TDECQ <1,4 dB para una relación de extinción de ≥ 4,5 dB o TDECQ <1,3 dB para una relación de extinción de <4,5 dB, El OMAouter (MIN) debe exceder el valor mínimo especificado aquí. 3. Ceq es un coeficiente definido en la cláusula 121.8.5.3 de 2018 802,3 de IEEE Std que tiene en cuenta la mejora del ruido del ecualizador de referencia. 4. Potencia media de recepción, cada carril (MIN) es informativo y no el indicador principal de la intensidad de la señal. Una potencia recibida por debajo de este valor no puede ser compatible; sin embargo, un valor por encima de esto no garantiza el cumplimiento. 5. El receptor podrá tolerar, sin daños, la exposición continua a una señal de entrada óptica que tenga este nivel de potencia promedio. 6. La sensibilidad del receptor (OMAouter) es informativa y se define para un transmisor con un valor de SECQ de hasta 3,4 dB. La sensibilidad del receptor debe cumplir con la Ecuación (1), que se ilustra en la Figura 4. Donde: RS es la sensibilidad del receptor, y SECQ es el SECQ del transmisor utilizado para medir la sensibilidad del receptor. 7. Medido con señal de prueba de conformidad en TP3 PARA EL BER igual a 2,4x10-4. | |||||||||||||
Funciones de Diagnóstico Digital
Las siguientes acterísticas de Diagnóstico Digital se definen sobre las condiciones de funcionamiento normales a menos que se especifique lo contrario.
Parámetro | Símbolo | Min | Máx. | Unidades | Notas |
Monitor de temperatura Error absoluto | DMI_Temp | -3 | 3 | Degc | Rango de temperatura de funcionamiento superior |
Tensión de suministro Monitor Error absoluto | DMI _ VCC | -0,1 | 0,1 | V | Sobre el funcionamiento completo Rango |
Canal RX Monitor de alimentación Error absoluto | DMI_RX_Ch | -2 | 2 | DB | 1 |
Corriente de sesgo de canal Monitor | DMI_Ibias_Ch | -10% | 10% | MA | |
Canal TX Monitor de alimentación Error absoluto | DMI_TX_Ch | -2 | 2 | DB | 1 |
Notas:
1. Debido a la precisión de la medición de modo único de diferentes fibras, podría haber una fluctuación adicional de +/-1 dB, o una precisión total de +/- 3 dB.
Dibujo del contorno (mm)

Aplicaciones
● Interconexión del centro de datos
● Ethernet 400G
● Interconexiones InfiniBand
● Redes empresariales
| Date | Version | Description | Download | ||
| 2025-03-17 | Datasheet _ 400G QSFP-DD FR4 1310nm 2km _ LA-OT-400G-FR4 | ||||
Suscríbete ahora, puede obtener más de 100 valiosos recursos y libros blancos.
Síganos también puede obtener los últimos productos e información de la industria en los correos electrónicos de nuestros miembros.Aprender Detalles >>>
Llámanos:
Envíenos un correo electrónico:
2106B, # 3D, Cloud Park Fase 1, Bantian, Longgang, Shenzhen, 518129, P.R.C.