Este producto es un módulo óptico de doble densidad (QSFP-DD) enchufable de factor de forma pequeño quad de 200 Gb/s diseñado para aplicaciones de comunicación óptica.
Este producto es un módulo óptico de doble densidad (QSFP-DD) enchufable de factor de forma pequeño quad de 200 Gb/s diseñado para aplicaciones de comunicación óptica. El módulo convierte 8 canales de datos de entrada eléctrica de 25 Gb/s (NRZ) en 4 canales de señales ópticas LAN-WDM, y los multiplexa en un solo canal para transmisión óptica de 200 Gb/s(PMA4). Reversamente, en el lado del receptor, el módulo desmultiplica ópticamente una entrada óptica de 200 Gb/s(PMA4) en 4 canales de señales ópticas WDM, Y los convierte en 8 canales de datos de salida eléctrica de 25 Gb/s (NRZ). Las longitudes de onda centrales de los 4 canales LAN WDM son 1295,56, 1300,05, 1304,58 y 1309,14 Nm como miembros de la cuadrícula de longitud de onda LAN WDM definida en IEEE802.3ba. Contiene un conector LC dúplex para la interfaz óptica y un conector de 76 pines para la interfaz eléctrica. Para minimizar la dispersión óptica en el sistema de largo recorrido, la fibra monomodo (SMF) debe aplicarse en este módulo. Puede soportar hasta 30km con 200G FEC y 40km con PFEC incorporado. El producto está diseñado con factor de forma, conexión óptica/eléctrica e interfaz de Diagnóstico Digital de acuerdo con el Acuerdo de fuente múltiple QSFP-DD (MSA). Ha sido diseñado para cumplir con las condiciones de funcionamiento externas más duras, incluida la temperatura, la humedad y la interferencia EMI.
Características
● QSFP-DD compatible con MSA
● 4 carriles LWDM Diseño MUX/DEMUX
● Transmisión de hasta 40km en fibra monomodo (SMF) con PFEC incorporado
● Temperatura de la caja de funcionamiento: 0 a 70oC
● Consumo máximo de energía 12W
● Conector LC dúplex
● Compatible con RoHS
Diagrama de bloque transceptor

Figura 1. Diagrama de bloque transceptor
Asignación de Pin y Deion
El pinout eléctrico del módulo de QSFP-DD se muestra en la Figura 2 a continuación.

Figura 2. Conector compatible con MSA
Definición de Pin
37 | CML-I | Tx1n | Entrada DE DATOS invertida del transmisor | 3B | |
38 | GND | Terreno | 1B | 1 | |
39 | GND | Terreno | 1A | 1 | |
40 | CML-I | Tx6n | Entrada DE DATOS invertida del transmisor | 3A | |
41 | CML-I | Tx6p | Transmisor de datos no invertidos Entrada | 3A | |
42 | GND | Terreno | 1A | 1 | |
43 | CML-I | Tx8n | Entrada DE DATOS invertida del transmisor | 3A | |
44 | CML-I | Tx8p | Transmisor de datos no invertidos Entrada | 3A | |
45 | GND | Terreno | 1A | 1 | |
46 | Reservado | Para uso futuro | 3A | 3 | |
47 | VS1 | Módulo proveedor específico 1 | 3A | 3 | |
48 | VccRx1 | Fuente de alimentación 3,3 V | 2A | 2 | |
49 | VS2 | Módulo proveedor específico 2 | 3A | 3 | |
50 | VS3 | Módulo proveedor específico 3 | 3A | 3 | |
51 | GND | Terreno | 1A | 1 | |
52 | CML-O | Rx7p | Receptor de salida de datos no invertidos | 3A | |
53 | CML-O | Rx7n | Receptor de salida de datos invertidos | 3A | |
54 | GND | Terreno | 1A | 1 | |
55 | CML-O | Rx5p | Receptor de salida de datos no invertidos | 3A | |
56 | CML-O | Rx5n | Receptor de salida de datos invertidos | 3A | |
57 | GND | Terreno | 1A | 1 | |
58 | GND | Terreno | 1A | 1 | |
59 | CML-O | Rx6n | Receptor de salida de datos invertidos | 3A | |
60 | CML-O | Rx6p | Receptor de salida de datos no invertidos | 3A | |
61 | GND | Terreno | 1A | 1 | |
62 | CML-O | Rx8n | Receptor de salida de datos invertidos | 3A | |
63 | CML-O | Rx8p | Receptor de salida de datos no invertidos | 3A | |
64 | GND | Terreno | 1A | 1 | |
65 | NC | Sin conexión | 3A | 3 | |
66 | Reservado | Para uso futuro | 3A | 3 | |
67 | VccTx1 | Fuente de alimentación 3,3 V | 2A | 2 | |
68 | VCC2 | Fuente de alimentación 3,3 V | 2A | 2 | |
69 | Reservado | Para uso futuro | 3A | 3 | |
70 | GND | Terreno | 1A | 1 | |
71 | CML-I | Tx7p | Entrada de datos no invertida del transmisor | 3A | |
72 | CML-I | Tx7n | Entrada DE DATOS invertida del transmisor | 3A | |
73 | GND | Terreno | 1A | 1 | |
74 | CML-I | Tx5p | Entrada de datos no invertida del transmisor | 3A | |
75 | CML-I | Tx5n | Entrada DE DATOS invertida del transmisor | 3A | |
76 | GND | Terreno | 1A | 1 |
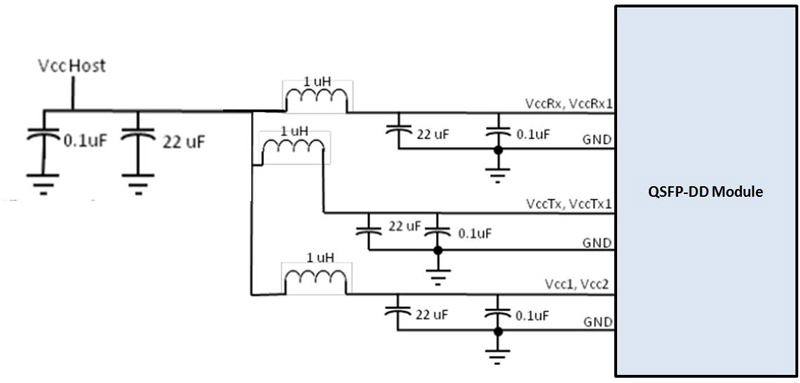
Filtro de fuente de alimentación recomendado
Figura 3. Filtro de fuente de alimentación recomendado
Calificaciones máximas absolutas
Cabe señalar que la operación en exceso de las clasificaciones máximas absolutas individuales podría causar daños permanentes a este módulo.
Parámetro | Símbolo | Min | Máx. | Unidades | Notas |
Temperatura de almacenamiento | TS | -40 | 85 | Degc | |
Funda de funcionamiento Temperatura | TOP | 0 | 70 | Degc | |
Tensión de alimentación | VCC | -0,5 | 3,6 | V | |
Humedad relativa (Sin condensación) | RH | 0 | 85 | % | |
Umbral de daño, Cada carril | THd | -5,0 | DBm |
Condiciones de funcionamiento recomendadas y requisitos de fuente de alimentación
Parámetro | Símbolo | Min | Típico | Máx. | Unidades | Notas |
Funda de funcionamiento Temperatura | TOP | 0 | 70 | Degc | ||
Fuente de alimentación Voltaje | VCC | 3.135 | 3,3 | 3.465 | V | |
Velocidad de datos, cada carril | 26,5625 | GBD | PAM4 | |||
Precisión de la tasa de datos | -100 | 100 | PPM | |||
Relación de error pre-FEC | 2,4x10-4 | |||||
Relación de error post-FEC Bit | 1x10-12 | 1 | ||||
Distancia del enlace | D | 0.002 | 30 | Km | 2 | |
Distancia del enlace | D | 0.002 | 40 | Km | 3 |
Notas:
1. FEC proporcionado por el sistema de acogida.
2. Se requiere FEC en el sistema host para admitir la distancia máxima.
3. Se requiere PFEC incorporado para soportar hasta 40km
Características eléctricas
Las siguientes acterísticas eléctricas se definen sobre el entorno operativo recomendado a menos que se especifique lo contrario.
Parámetro | Punto de prueba | Min | Típico | Máx. | Unidades | Notas | ||||
12 | SupplyCurrent | 3,64 | SignalingRate,eachLane | 26,5625 ± 100ppm | InputVoltageTolerancia Diferencial | 900 | 1 | |||
Terminación Desajuste | 10 | DiferencialInputReturn Loss | IEEE802.3- Ecuación DB | |||||||
TP1 | 2015 (83E-6) | dB | ||||||||
Módulo estresado Prueba de entrada | TP1a | Véase IEEE 802.3bs 120E.3.4.1 | 2 | |||||||
De un solo extremo Tolerancia de tensión Rango (MIN) | TP1a | -0,4 a 3,3 | V | |||||||
DC Común Modo de entrada Voltaje | TP1 | -350 | 2850 | |||||||
Receptor (cada carril) | ||||||||||
Tasa de señalización, Cada carril | TP4 | 26,5625 ± 100 ppm | GBD | |||||||
Diferencial Pico a pico Voltaje de salida | TP4 | 900 | ||||||||
Diferencial Terminación Desajuste | TP4 | 10 | ||||||||
Diferencial Salida Devolución Pérdida | TP4 | 802,3 IEEE- 2015 Ecuación (83E-2) | ||||||||
Común a Diferencial Modo Conversión Pérdida de retorno | TP4 | 802,3 IEEE- 2015 Ecuación (83E-3) | ||||||||
Transición Tiempo, 20% A 80% | TP4 | 9,5 | ||||||||
Cercano Ojo Simetría Máscara Anchura (ESMW) | TP4 | 0.265 | ||||||||
Cercano Ojo Altura, Diferencial | TP4 | 70 | ||||||||
Ojo lejano Simetría Máscara Anchura (ESMW) | TP4 | 0,2 | ||||||||
Fin lejano Ojo Altura, Diferencial | TP4 | 30 | ||||||||
Fin lejano Pre-cursor Relación ISI | TP4 | -4,5 | 2,5 | |||||||
Común Modo Salida Voltaje (Vcm) | TP4 | -350 | 2850 | |||||||
Notas:
1. Con la excepción de IEEE 802.3bs 120E.3.1.2 que el patrón es PRBS31Q o revuelto inactivo.
2. Cumple con La BER especificada en IEEE 802.3bs 120E.1.1.
3. voltaje de modo común DC generado por el anfitrión. La especificación incluye los efectos de la tensión de compensación de tierra.
Características ópticas
Parámetro | Símbolo | Min | Típico | Máx. | Unidades | Notas |
Longitud de onda Asignación | L0 | 1294,53 | 1295,56 | 1296,59 | Nm | |
L1 | 1299,02 | 1300,05 | 1301,09 | Nm | ||
L2 | 1303,54 | 1304,58 | 1305,63 | Nm | ||
L3 | 1308,09 | 1309,14 | 1310,19 | Nm | ||
Transmisor | ||||||
Velocidad de datos, cada carril | 53.125 ± 100 ppm | GBD | ||||
Formato de modulación | PAM4 | |||||
Modo lateral Relación de supresión | SMSR | 30 | DB | |||
Promedio total Potencia de lanzamiento | PT | 14,7 | DBm | |||
Potencia media de lanzamiento, Cada carril | PAVG | -0,1 | 5,6 | DBm | ||
Óptico exterior Modulación Amplitud (OMAouter), Cada carril | Poma | 3,4 | 6,4 | DBm | ||
Poder de lanzamiento en OMAouter menos TDECQ, cada carril | 3 | DB | ||||
Transmisor y Cierre del ojo de la dispersión Para PAM4, cada carril | TDECQ | 3,2 | DB | |||
Relación de extinción | ER | 6 | DB | |||
Diferencia en Potencia de lanzamiento Entre cualquier Dos carriles (OMAouter) | 4 | DB | ||||
RIN15.1OMA | Rin | -132 | DB/Hz | |||
Retorno óptico Tolerancia DE LA PÉRDIDA | TOL | 15,1 | DB | |||
Transmisor Reflectancia | RT | -26 | DB | |||
Lanzamiento promedio Poder de APAGADO Transmisor, Cada carril | Poff | -30 | DBm | |||
Receptor | ||||||
Velocidad de datos, cada carril | 53.125 ± 100 ppm | GBD | ||||
Formato de modulación | PAM4 | |||||
Sensibilidad, cada carril | Sen1 | MAX (-11,1, SECQ-12.5) | DBm | Para 30km | ||
Sensibilidad, cada carril | Sen2 | MAX (-14,1, SECQ-15.5) | DBm | Para 40km | ||
Condiciones estresadas para la sensibilidad del receptor de estrés (Nota 8) | ||||||
Cierre de ojos estresado Para PAM4 (SECQ), Carril bajo prueba | 3,4 | DB | ||||
SECQ - 10 * log10(Ceq), Carril bajo prueba | DB | |||||
OMAouter de Cada carril agresor | -8 | DBm | ||||
Funciones de Diagnóstico Digital
Parámetro | Símbolo | Min | Máx. | Unidades | Notas |
Monitor de temperatura Error absoluto | DMI_Temp | -3 | 3 | Degc | Rango de temperatura de funcionamiento superior |
Tensión de suministro Monitor Error absoluto | DMI _ VCC | -0,1 | 0,1 | V | Sobre el funcionamiento completo Rango |
Potencia de canal RX Error absoluto del monitor | DMI_RX_Ch | -2 | 2 | DB | 1 |
Sesgo de canal Monitor actual | DMI_Ibias_Ch | -10% | 10% | MA | |
Potencia del canal TX Monitor Error absoluto | DMI_TX_Ch | -2 | 2 | DB | 1 |
Las siguientes acterísticas de Diagnóstico Digital se definen sobre las condiciones de funcionamiento normales a menos que se especifique lo contrario.
Notas:
4. Debido a la precisión de la medición de modo único de diferentes fibras, podría haber una fluctuación adicional de +/-1 dB, o una precisión total de +/- 3 dB.
Dibujo del contorno (mm)

Aplicaciones
● Red 5G
● Ethernet 200G
● Redes empresariales
| Date | Version | Description | Download | ||
| 2025-03-17 | Datasheet _ 200G QSFP-DD ER4 1310nm 40km _ LA-OT-200G-ER4 | ||||
Suscríbete ahora, puede obtener más de 100 valiosos recursos y libros blancos.
Síganos también puede obtener los últimos productos e información de la industria en los correos electrónicos de nuestros miembros.Aprender Detalles >>>
Llámanos:
Envíenos un correo electrónico:
2106B, # 3D, Cloud Park Fase 1, Bantian, Longgang, Shenzhen, 518129, P.R.C.