Paquete SFP con conector LC, DML CWDM DFB láser y fotodetector de PIN-TIA, hasta 10km de transmisión en SMF, hasta 11,3 Gbps enlaces de datos.
Características
● Paquete SFP con conector LC
● DML CWDM DFB láser y fotodetector PIN-TIA
● Transmisión de hasta 10Km en SMF
● Enlaces DE DATOS DE hasta 11,3 Gbps
● Fuente de alimentación única de 3,3 V
● Disipación de potencia <1,5 W
● Interfaz de 2 cables con monitoreo de diagnóstico digital integrado
● EMI baja y excelente protección ESD
● Estándar de seguridad Aser IEC-60825 compatible
● Compatible con RoHS
● Cumple con SFF-8472 SFP MSA
● Cumple con La SFF-8431 y SFF-8432 de SFP
Calificaciones máximas absolutas
Parámetro | Símbolo | Mínimo | Máximo | Unidades |
Temperatura de almacenamiento | Tst | -40 | + 85 | °C |
Tensión de suministro | Vcc | -0,3 | + 3,5 | V |
Humedad relativa de funcionamiento | RH | 5 | 95 | % |
Operación Medio Ambiente
Parámetro | Símbolo | Min | Típico | Máx. | Unidades |
Tensión de suministro | Vcc | 3,15 | 3,3 | 3,45 | V |
Funda de funcionamiento Temperatura | Tc | 0 | + 70 | °C | |
Disipación de poder | 1,5 | W | |||
Tasa de datos | 10,3125 | Gbps |
Características ópticas
Parámetro | Símbolo | Min. | Typ. | Máx. | Unidades |
Sección del transmisor | |||||
Longitud de onda del centro | Lo | 1270 | 1610 | Nm | |
Anchura espectral (-20dB) | Dl | 1 | Nm | ||
Potencia media de salida | Po | -3 | 5 | DBm | |
Relación de extinción | Er | 3,5 | DB | ||
Modo lateral Relación de supresión | SMSR | 35 | DB | ||
Jitter total | Tj | IEEE 802.3ae | |||
Sección Receptor | |||||
Longitud de onda del centro | Lo | 1270 | 1330 | 1610 | Nm |
Sensibilidad del receptor | Rsen | -13 | DBm | ||
Sobrecarga del receptor | Rov | 0 | DBm | ||
Pérdida de retorno | 12 | DB | |||
LOS Assert | LOSA | -28 | DBm | ||
LOS Postre | LOSD | -14 | DBm | ||
LOS Histéresis | 0,5 | 4 | |||
Características eléctricas
Parámetro | Símbolo | Min. | Typ. | Máx. | Unidad | |
Sección del transmisor | ||||||
Diferencial de entrada Impendencia | Zin | 90 | 100 | 110 | Ohm | |
Columpio de entrada de datos Diferencial | Vin | 180 | 700 | MV | ||
Desactivar TX | Desactivar | 2,0 | Vcc | V | ||
Habilitar | -0,3 | 0,8 | V | |||
Falla TX | Pasito | 2,4 | Vcc | V | ||
Deaser | -0,3 | 0,8 | V | |||
Sección Receptor | ||||||
Diferencial de salida Impotencia | Zout | 80 | 100 | 120 | Ohm | |
Columpio de entrada de datos Diferencial | Vout | 300 | 850 | MV | ||
Rx_LOS | Pasito | 2,0 | Vcc | V | ||
Deaser | -0,3 | 0,4 | V | |||
Diagnósticos
Parámetro | Rango | Exactitud | Unidad | Calibración |
Temperatura | 0 ~ 70 | ± 5 | °C | Interno |
Voltaje | 3,15 ~ 3,45 | ± 0,1 | V | Interno |
Actual sesgo | 10 ~ 80 | ± 2 | MA | Interno |
Potencia Tx | -5 a 5 | ± 2 | DBm | Interno |
Potencia RX | -16 ~ -3 | ± 3 | DBm | Interno |
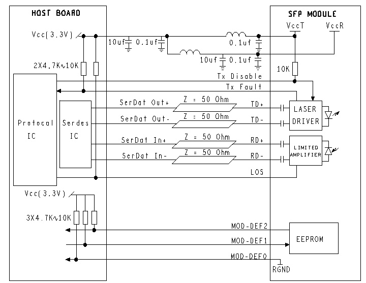
Pin Descripción

Alfileres | Nombre | Descripción | NOTA |
1 | VeeT | Tierra del transmisor | |
2 | Tx Falla | Indicación de falla del transmisor | 1 |
3 | Desactivar Tx | Desactivar el transmisor | 2 |
4 | DEF2 MOD | Módulo Definición 2 | 3 |
5 | DEF1 MOD | Módulo Definición 1 | 3 |
6 | DEF0 MOD | Módulo Definición 0 | 3 |
7 | RS0 | No conectado | |
8 | LOS | Pérdida de la señal | 4 |
9 | RS1 | No conectado | |
10 | VeeR | Tierra del receptor | |
11 | VeeR | Tierra del receptor | |
12 | RD- | Inv. Salida de datos recibidos | 5 |
13 | RD | Salida DE DATOS recibida | 5 |
14 | VeeR | Tierra del receptor | |
15 | VCCR | Potencia del receptor | |
16 | VCCT | Potencia del transmisor | |
17 | VeeT | Tierra del transmisor | |
18 | TD | Entrada de datos de transmisión | 6 |
19 | TD- | Inv. Entrada de datos de transmisión | 6 |
20 | VeeT | Tierra del transmisor |
Notas:
1. La falla TX es una salida de colector abierta, que debe levantarse con una resistencia de 4,7 K ~ 10 kΩ en la placa central a un voltaje entre 2,0 V y Vcc 0,3 V. La lógica 0 indica un funcionamiento normal; la lógica 1 indica una falla láser de algún tipo. En el Estado bajo, la salida se llevará a menos de 0,8 V.
2. TX Desactivar es una entrada que se utiliza para apagar la Salida Óptica del transmisor. Se tira hacia arriba dentro del módulo con una resistencia de 4,7 K ~ 10 kΩ. Sus Estados son:
Bajo (0 ~ 0,8 V): Transmisor encendido
(> 0,8 V, <2,0 V): indefinido
Alta (2,0 ~ 3,3 V): transmisor desactivado
Abierto: Transmisor Desactivado
3. MOD-DEF 0,1,2 es la definición de módulo pins. Deben levantarse con una resistencia de 4,7 K ~ 10 kΩ en la placa central. La Tensión de arrastre será VccT o VccR.
El módulo conecta a tierra el MOD-DEF 0 para indicar que el módulo está presente
MOD-DEF 1 es la línea de reloj de dos cables de interfaz serie para la identificación en serie
MOD-DEF 2 es la línea de datos de la interfaz serie de dos cables para la identificación en serie
4. LOS es una salida de colector abierto, que debe levantarse con una resistencia de 4,7 K ~ 10 kΩ en la placa central a un voltaje entre 2,0 V y Vcc 0,3 V. La lógica 0 indica el funcionamiento normal; la lógica 1 indica la pérdida de señal. En el Estado bajo, la salida se llevará a menos de 0,8 V.
5. Estos son la salida del receptor diferencial. Son líneas diferenciales de 100 Ω acopladas internamente a CA que deben terminarse con 100Ω (diferencial) en el usuario SERDES.
6. Estas son las entradas del transmisor diferencial. Son líneas diferenciales acopladas a CA con terminación diferencial de 100 Ω dentro del módulo.
Circuito de aplicación recomendado

Dibujos de contorno (mm)

Aplicación
● Ethernet
● Telecom
● Canal de fibra
| Date | Version | Description | Download | ||
| 2025-03-17 | Datasheet _ 10G CWDM SFP 1270nm ~ 1610nm 10km_LA-OT-10GCW26-10_V2.Y | ||||
Suscríbete ahora, puede obtener más de 100 valiosos recursos y libros blancos.
Síganos también puede obtener los últimos productos e información de la industria en los correos electrónicos de nuestros miembros.Aprender Detalles >>>
Llámanos:
Envíenos un correo electrónico:
2106B, # 3D, Cloud Park Fase 1, Bantian, Longgang, Shenzhen, 518129, P.R.C.