Paquete SFP con conector LC, láser DFB de 1310nm y detector fotográfico PIN.
Características
● Paquete SFP con conector LC
● 1310nm DFB láser y PIN foto detector
● Transmisión de hasta 1,4 km en SMF
● Disipación de potencia <1W
● Interfaz de entrada/salida de datos compatible con LVPECL
● EMI baja y excelente protección ESD
● Estándar de seguridad láser IEC-60825 compatible
● Compatible con RoHS
● Compatible con SFF8472
Parámetro | Símbolo | Mínimo | Máximo | Unidades |
Temperatura de almacenamiento | Tst | -40 | + 85 | °C |
Tensión de suministro | Vcc | 0 | + 3,6 | V |
Humedad relativa de funcionamiento | RH | 0 | 85 | % |
Operación Medio Ambiente
Parámetro | Símbolo | Min | Típico | Máx. | Unidades | |
Tensión de suministro | Vcc | 3,15 | 3,45 | V | ||
Temperatura del caso de funcionamiento | Comercial | Tc | 0 | + 70 | °C | |
Disipación de poder | 1 | W | ||||
Tasa de datos | 10,3125 | Gbps | ||||
Características ópticas
(Temperatura de funcionamiento ambiente 0 °C A + 70 °C, Vcc = 3,3 V)
Parámetro | Símbolo | Min. | Typ. | Máx. | Unidades |
Sección del transmisor | |||||
Longitud de onda del centro | Lo | 1290 | 1310 | 1330 | Nm |
Relación de supresión de modo lateral | SMSR | 35 | - | - | DB |
Potencia media de salida | Po | -8 | - | 0,5 | DBm |
Relación de extinción | Er | 3,5 | - | - | DB |
Pena de dispersión | 3,2 | DB | |||
Ruido de intensidad relativa | RIN12OMA | -128 | DB/Hz | ||
Jitter total | Tj | IEEE 802.3ae | |||
Sección Receptor | |||||
Longitud de onda del centro | Lo | 1310 | Nm | ||
Sensibilidad del receptor | Rsen | -14 | DBm | ||
Sensibilidad estresada | Rsen | -13 | DBm | ||
Sobrecarga del receptor | Rov | -3 | DBm | ||
Pérdida de retorno | 12 | DB | |||
LOS Assert | LOSA | -25 | DBm | ||
LOS Postre | LOSD | -15 | DBm | ||
LOS Histéresis | 0,5 | 4 | |||
Características eléctricas
(Temperatura de funcionamiento ambiente 0 °C a 70 °C, Vcc = 3,3 V)
Parámetro | Símbolo | Min. | Typ. | Máx. | Unidad | |
Sección del transmisor | ||||||
Impendencia diferencial de entrada | Zin | 90 | 100 | 110 | Ohm | |
Columpio diferencial de entrada de datos | Vin | 180 | 700 | MV | ||
Desactivar TX | Desactivar | 2,0 | Vcc | V | ||
Habilitar | 0 | 0,8 | V | |||
Falla TX | Pasito | 2,0 | Vcc | V | ||
Deaser | 0 | 0,8 | V | |||
Sección Receptor | ||||||
Impendencia diferencial de salida | Zout | 100 | Ohm | |||
Diferencial Swing de salida de datos | Vout | 300 | 800 | MV | ||
Rx_LOS | Pasito | 2,0 | Vcc | V | ||
Deaser | 0 | 0,8 | V | |||
Diagnósticos
Parámetro | Rango | Exactitud | Unidad | Calibración |
Temperatura | -10 ~ 75 | ± 5 | °C | Interno |
Voltaje | 3,15 ~ 3,45 | ± 0,1 | V | Interno |
Actual sesgo | 10 ~ 80 | ± 2 | MA | Interno |
Potencia Tx | -8 ~ 1 | ± 2 | DBm | Interno |
Potencia RX | -16 ~ -3 | ± 3 | DBm | Interno |
INFORMACIÓN EEPROM (A0)
Addr | Tamaño de campo (bytes) | Nombre del campo | HEX | Descripción |
0 | 1 | Identificador | 03 | SFP |
1 | 1 | Ext. Identificador | 04 | MOD4 |
2 | 1 | Conector | 07 | LC |
3-10 | 8 | Transceptor | 10 00 00 00 00 00 00 00 00 | Código del transmisor |
11 | 1 | Codificación | 06 | 64B66B |
12 | 1 | BR, nominal | 67 | 10000M BPS |
13 | 1 | Reservado | 00 | |
14 | 1 | Longitud (9um)-km | 0A | |
15 | 1 | Longitud (9um) | 00 | |
16 | 1 | Longitud (50um) | 00 | |
17 | 1 | Longitud (62.5um) | 00 | |
18 | 1 | Longitud (cobre) | 00 | |
19 | 1 | Reservado | 00 | |
20-35 | 16 | Nombre del proveedor | 57 49 4E 54 4F 50 20 20 20 20 20 20 20 20 20 20 | OEM |
36 | 1 | Reservado | 00 | |
37-39 | 3 | Proveedor OUI | 00 00 00 | |
40-55 | 16 | Vendedor PN | Xx Xx | ASC II |
56 a 59 | 4 | Proveedor rev | 31 2E 30 20 | V1.0 |
60-61 | 2 | Longitud de onda | 05 1E | 1310nm |
62 | 1 | Reservado | 00 | |
63 | 1 | CC BASE | XX | Compruebe La suma del byte 0 ~ 62 |
64-65 | 2 | Opciones | 00 1A | LOS, TX_DISABLE, TX_FULT |
66 | 1 | BR, Max | 00 | |
67 | 1 | BR, min | 00 | |
68-83 | 16 | Proveedor SN | 00 00 00 00 00 00 00 00 00 00 00 00 00 00 00 00 00 00 | Sin especificar |
84-91 | 8 | Código de fecha de proveedor | XX 20 | Año, Mes, Día |
92-94 | 3 | Reservado | 00 | |
95 | 1 | CC_EXT | XX | Compruebe La suma del byte 64 ~ 94 |
96-255 | 160 | Proveedor específico |
Pin Descripción
Alfileres | Nombre | Descripción | NOTA |
1 | VeeT | Tierra del transmisor | |
2 | Tx Falla | Indicación de falla del transmisor | 1 |
3 | Desactivar Tx | Desactivar el transmisor | 2 |
4 | DEF2 MOD | Módulo Definición 2 | 3 |
5 | DEF1 MOD | Módulo Definición 1 | 3 |
6 | DEF0 MOD | Módulo Definición 0 | 3 |
7 | RS0 | No conectado | |
8 | LOS | Pérdida de la señal | 4 |
9 | RS1 | No conectado | |
10 | VeeR | Tierra del receptor | |
11 | VeeR | Tierra del receptor | |
12 | RD- | Inv. Salida de datos recibidos | 5 |
13 | RD | Salida DE DATOS recibida | 5 |
14 | VeeR | Tierra del receptor | |
15 | VCCR | Potencia del receptor | |
16 | VCCT | Potencia del transmisor | |
17 | VeeT | Tierra del transmisor | |
18 | TD | Entrada de datos de transmisión | 6 |
19 | TD- | Inv. Entrada de datos de transmisión | 6 |
20 | VeeT | Tierra del transmisor |
Notas:
1. La falla TX es una salida de colector abierta, que debe levantarse con una resistencia de 4,7 K ~ 10 kΩ en la placa central a un voltaje entre 2,0 V y Vcc 0,3 V. La lógica 0 indica un funcionamiento normal; la lógica 1 indica una falla láser de algún tipo. En el Estado bajo, la salida se elevará a menos de 0,8 V.
2. TX Desactivar es una entrada que se utiliza para apagar la Salida Óptica del transmisor. Se tira hacia arriba dentro del módulo con una resistencia de 4,7 K ~ 10 kΩ. Sus Estados son:
Bajo (0 ~ 0,8 V): Transmisor encendido
(> 0,8 V, <2,0 V): indefinido
Alta (2,0 ~ 3.465V): transmisor desactivado
Abierto: Transmisor Desactivado
3. MOD-DEF 0,1,2 es la definición de módulo pins. Deben levantarse con una resistencia de 4,7 K ~ 10 kΩ en la placa central. La Tensión de arrastre será VccT o VccR.
El módulo conecta a tierra el MOD-DEF 0 para indicar que el módulo está presente
MOD-DEF 1 es la línea de reloj de dos cables de interfaz serie para la identificación en serie
MOD-DEF 2 es la línea de datos de la interfaz serie de dos cables para la identificación en serie
4. LOS es una salida de colector abierto, que debe levantarse con una resistencia de 4,7 K ~ 10 kΩ en la placa central a un voltaje entre 2,0 V y Vcc 0,3 V. La lógica 0 indica el funcionamiento normal; la lógica 1 indica la pérdida de señal. En el Estado bajo, la salida se elevará a menos de 0,8 V.
5. Estos son la salida del receptor diferencial. Son líneas diferenciales de 100 Ω acopladas internamente a CA que deben terminarse con 100Ω (diferencial) en el usuario SERDES.
6. Estas son las entradas del transmisor diferencial. Son líneas diferenciales acopladas a CA con terminación diferencial de 100 Ω dentro del módulo.
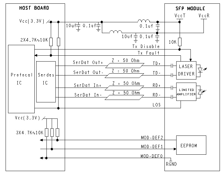
Circuito de aplicación recomendado

Dibujo del contorno (mm)

Aplicación
● Ethernet
● Canal de fibra
| Date | Version | Description | Download | ||
| 2025-03-17 | Datasheet _ 10G SFP LR 1310nm 1,4 km LC_LA-OT-10G3-1.4_V2.Y SM | ||||
Suscríbete ahora, puede obtener más de 100 valiosos recursos y libros blancos.
Síganos también puede obtener los últimos productos e información de la industria en los correos electrónicos de nuestros miembros.Aprender Detalles >>>
Llámanos:
Envíenos un correo electrónico:
2106B, # 3D, Cloud Park Fase 1, Bantian, Longgang, Shenzhen, 518129, P.R.C.